Snabb leverans
30 dagars expressleverans



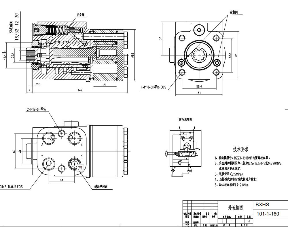
101-1-160 styrenheten är en robust och pålitlig hydraulisk styrkomponent med en slagvolym på 160 ml/r, designad för olika applikationer inom konstruktion, jordbruk, materialhantering och industrifordon. Den har ett maximalt ingångstryck på 17,5 MPa och ett anpassningsbart ventilblock för optimal prestanda. Vi erbjuder tillverkning, OEM, ODM och grossisttjänster.
| 10-serien Styrenhet Parameters | |
|---|---|
| Deplacement | 50 ml/varv, 63 ml/varv, 100 ml/varv, 80 ml/varv, 125 ml/varv, 160 ml/varv, 200 ml/varv, 250 ml/varv, 280 ml/varv, 315 ml/varv, 400 ml/varv |
| Material | Gjutjärn |
| Nominellt flöde | 5 L/min, 6 L/min, 8 L/min, 10 L/min, 12,5 L/min, 16 L/min, 20 L/min, 25 L/min, 28 L/min, 31,5 L/min, 40 L/min |
| Ventilblock | Anpassningsbar |
| Maximalt kontinuerligt mottryck | 2,5 Mpa |
| Maximalt inloppstryck | 17,5 Mpa |
101-1-160 styrenheten är en högpresterande hydraulisk styrenhet byggd med hållbart gjutjärn för lång livslängd. Dess slagvolym på 160 ml/r ger effektiv styrkontroll, medan det maximala ingångstrycket på 17,5 MPa säkerställer tillförlitlig drift under krävande förhållanden. Det maximala kontinuerliga mottrycket på 2,5 MPa bidrar till dess robusthet. Det nominella flödet på 16 L/min ger responsiv styrning. En nyckelfunktion är det anpassningsbara ventilblocket, vilket möjliggör skräddarsydda konfigurationer för att möta specifika applikationskrav. Detta gör enheten lämplig för ett brett utbud av maskiner, inklusive gaffeltruckar, minigrävare, kompaktlastare, kompakta hjullastare, traktorer och frontlastare, teleskoplastare, grävlastare, dumprar, skördare och balpressar. Vi erbjuder kompletta tillverkningsmöjligheter, samt OEM-, ODM- och grossisttjänster, och söker aktivt distributörer, grossister, agenter och handelspartners globalt för att utöka vår marknadsräckvidd. Kontakta oss idag för att diskutera dina specifika behov och utforska anpassningsalternativ.



