Snabb leverans
30 dagars expressleverans



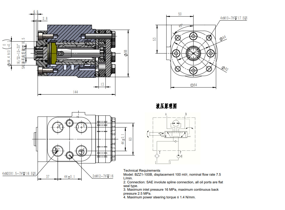
BZZ1-E100C styrningsenheten är en robust och anpassningsbar hydraulisk komponent med en slagvolym på 100 ml/r, utformad för olika tillämpningar inom materialhantering, byggnation, jordbruk och industrifordon. Den har ett maximalt ingångstryck på 16 MPa och en gjutjärnskonstruktion för hållbarhet. Vi erbjuder tillverkning, OEM, ODM och grossistalternativ globalt.
| BZZ1 Series Styrenhet Parameters | |
|---|---|
| Deplacement | 50 ml/varv, 63 ml/varv, 100 ml/varv, 80 ml/varv, 125 ml/varv, 160 ml/varv, 200 ml/varv, 250 ml/varv, 280 ml/varv, 315 ml/varv, 400 ml/varv, 500 ml/varv, 630 ml/varv, 800 ml/varv, 1000 ml/varv |
| Ventilblock | Anpassningsbar |
| Material | Gjutjärn |
| Nominellt flöde | 5 L/min, 6 L/min, 4 L/min, 7,5 L/min, 9,5 L/min, 12 L/min, 15 L/min, 19 L/min, 21 L/min, 24 L/min, 30 L/min, 38 L/min, 48 L/min, 60 L/min, 75 L/min |
| Maximalt kontinuerligt mottryck | 2,5 Mpa |
| Maximalt inloppstryck | 16 Mpa |
BZZ1-E100C är en högpresterande hydraulisk styrningsenhet idealisk för ett brett spektrum av tillämpningar. Dess nyckelfunktioner inkluderar:
* **Högtryckskapacitet:** Med ett maximalt ingångstryck på 16 MPa hanterar den krävande driftsförhållanden.
* **Hållbar konstruktion:** Gjutjärnsmaterialet säkerställer långvarig tillförlitlighet och motståndskraft mot slitage.
* **Anpassningsbar ventilblock:** Möjliggör skräddarsydda konfigurationer för att möta specifika applikationskrav, vilket förbättrar flexibilitet och effektivitet.
* **Högt flöde:** Ett nominellt flöde på 7.5 L/min ger responsiv och smidig styrning.
* **Mångsidiga applikationer:** Lämplig för olika typer av utrustning, inklusive gaffeltruckar, teleskoplastare, kompaktlastare, kompakta hjullastare, minigrävare, traktorer, skördetröskor och balpressar.
* **Global räckvidd:** Vi erbjuder tillverkning, OEM, ODM och grossisttjänster till distributörer, återförsäljare och agenter över hela världen. Vi är engagerade i att leverera högkvalitativa produkter och enastående kundservice. Kontakta oss för att diskutera dina specifika behov och utforska potentiella partnerskap.



