Snabb leverans
30 dagars expressleverans



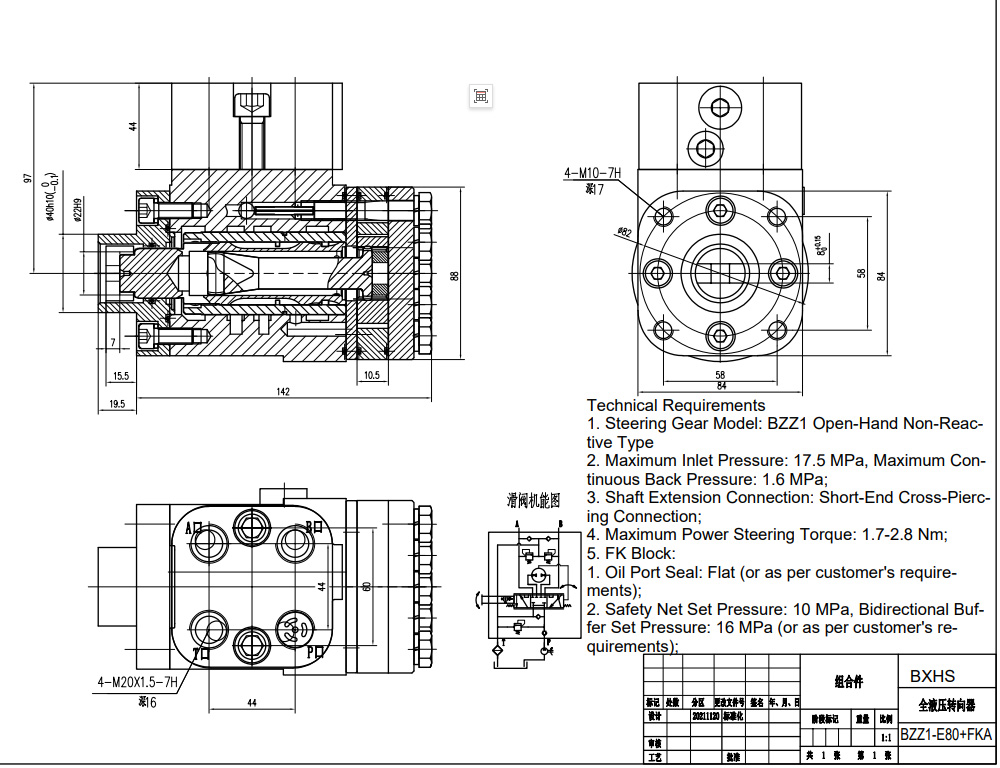
BZZ1-E80+FKA hydrauliska styrenhet är en robust och anpassningsbar enhet med en slagvolym på 80 ml/r och ett maximalt ingångstryck på 16 MPa. Idealisk för olika applikationer inom materialhantering, bygg, jordbruk och industrifordon, erbjuder den pålitlig styrkontroll med ett nominellt flöde på 6 L/min. Tillverkad av gjutjärn, har den ett anpassningsbart ventilblock för skräddarsydd prestanda. Vi erbjuder tillverkning, OEM, ODM och grossistalternativ.
| BZZ1 Series Styrenhet Parameters | |
|---|---|
| Deplacement | 50 ml/varv, 63 ml/varv, 100 ml/varv, 80 ml/varv, 125 ml/varv, 160 ml/varv, 200 ml/varv, 250 ml/varv, 280 ml/varv, 315 ml/varv, 400 ml/varv, 500 ml/varv, 630 ml/varv, 800 ml/varv, 1000 ml/varv |
| Ventilblock | Anpassningsbar |
| Material | Gjutjärn |
| Nominellt flöde | 5 L/min, 6 L/min, 4 L/min, 7,5 L/min, 9,5 L/min, 12 L/min, 15 L/min, 19 L/min, 21 L/min, 24 L/min, 30 L/min, 38 L/min, 48 L/min, 60 L/min, 75 L/min |
| Maximalt kontinuerligt mottryck | 2,5 Mpa |
| Maximalt inloppstryck | 16 Mpa |
BZZ1-E80+FKA hydrauliska styrenhet ger exakt och kraftfull styrkontroll för ett brett utbud av maskiner. Dess högtryckskapacitet (16 MPa) säkerställer pålitlig drift även under tunga laster. Slagvolymen på 80 ml/r och det nominella flödet på 6 L/min ger effektiv styrrespons. Den robusta gjutjärnskonstruktionen garanterar hållbarhet och livslängd i krävande miljöer. Det anpassningsbara ventilblocket möjliggör skräddarsydda lösningar för att möta specifika applikationskrav, optimera prestanda och effektivitet. Vi erbjuder flexibla affärsmodeller inklusive tillverkning, OEM (Original Equipment Manufacturing), ODM (Original Design Manufacturing) och grossistalternativ, vilket möjliggör anpassade lösningar och bulkorder för att möta dina specifika behov. Vi söker aktivt distributörer, grossister, agenter och handelsföretag globalt. Kontakta oss för att diskutera dina krav och utforska potentiella partnerskap.



