Snabb leverans
30 dagars expressleverans



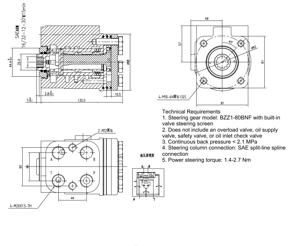
BZZ1-E80AS hydrauliska styrenhet är en robust och anpassningsbar komponent designad för ett brett utbud av applikationer inom materialhantering, bygg och industrifordon. Med en förskjutning på 80 ml/r och ett maximalt inloppstryck på 16 MPa ger den pålitlig och effektiv styrkontroll. Dess konstruktion i gjutjärn säkerställer hållbarhet, och det anpassningsbara ventilblocket möjliggör skräddarsydda lösningar för att möta specifika krav.
| BZZ1 Series Styrenhet Parameters | |
|---|---|
| Deplacement | 50 ml/varv, 63 ml/varv, 100 ml/varv, 80 ml/varv, 125 ml/varv, 160 ml/varv, 200 ml/varv, 250 ml/varv, 280 ml/varv, 315 ml/varv, 400 ml/varv, 500 ml/varv, 630 ml/varv, 800 ml/varv, 1000 ml/varv |
| Ventilblock | Anpassningsbar |
| Material | Gjutjärn |
| Nominellt flöde | 5 L/min, 6 L/min, 4 L/min, 7,5 L/min, 9,5 L/min, 12 L/min, 15 L/min, 19 L/min, 21 L/min, 24 L/min, 30 L/min, 38 L/min, 48 L/min, 60 L/min, 75 L/min |
| Maximalt kontinuerligt mottryck | 2,5 Mpa |
| Maximalt inloppstryck | 16 Mpa |
BZZ1-E80AS styrenheten är en högpresterande hydraulisk komponent tillverkad av slitstarkt gjutjärn för långvarig drift. Dess 80 ml/r deplacement och 16 MPa maximala inloppstryck ger kraftfull och responsiv styrkontroll, även under krävande förhållanden. Enheten har ett maximalt kontinuerligt mottryck på 2,5 MPa och ett nominellt flöde på 6 L/min, vilket säkerställer konsekvent prestanda. En viktig fördel är det anpassningsbara ventilblocket, som möjliggör skräddarsydda konfigurationer för att möta de exakta behoven i olika applikationer. Denna flexibilitet gör den idealisk för OEM- och ODM-projekt, samt för att tillhandahålla anpassade lösningar för olika industrier. Enheten finner applikationer i olika maskintyper, inklusive gaffeltruckar, teleskoplastare, kompaktlastare, kompakta hjullastare, mini- och midigrävmaskiner samt grävlastare. Dess robusta design och pålitliga prestanda gör den till en kostnadseffektiv lösning för tillverkare som söker högkvalitativa hydrauliska styrkomponenter. Vi erbjuder tillverkning, OEM, ODM, anpassning och grossisttjänster, och söker aktivt distributörer, grossister, agenter och handlare globalt.



