Snabb leverans
30 dagars expressleverans



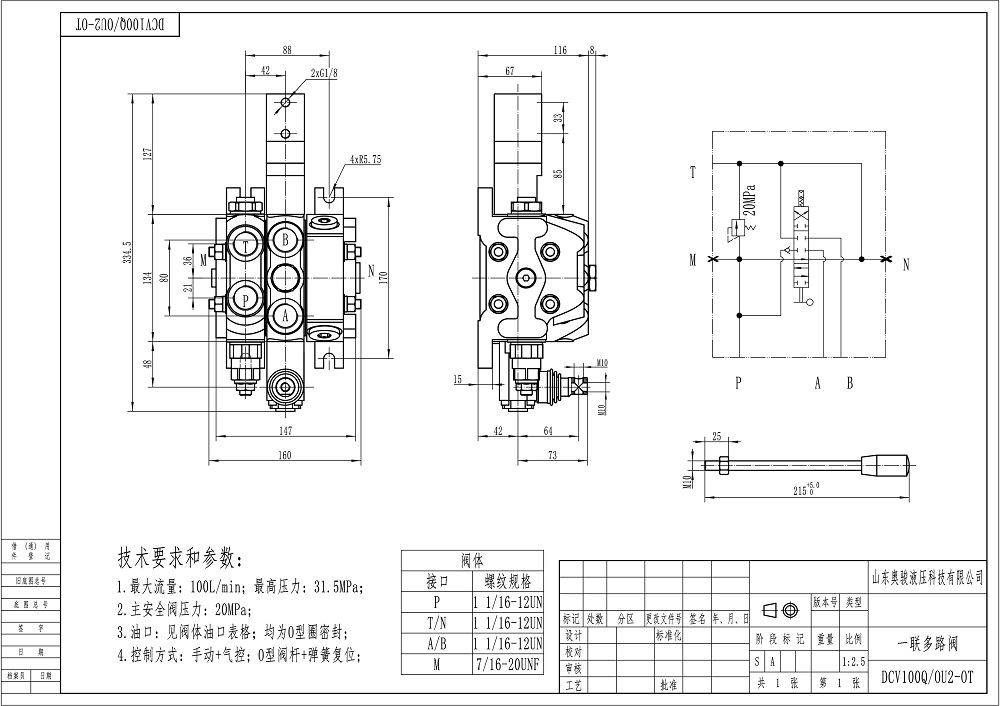
DCV100 pneumatisk 1-spolig sektionsriktningsventil är en högpresterande hydraulventil designad för användning i ett brett spektrum av industriella applikationer. Med ett nominellt flöde på 100 L/min och ett maximalt tryck på 350 bar, erbjuder den utmärkt flödeskapacitet och tryckhanteringsförmåga. Dess kompakta och modulära design gör den lämplig för integration i olika hydraulsystem.
| DCV100-serien Sektionsstyrvventil Parameters | |
|---|---|
| Kontrollmetod | Manuell, Pneumatisk, Elektropneumatisk, Elektrohydraulisk, Hydraulisk, Kabel, Joystick, Manuell och Joystick |
| Spole | 1 spole, 2 spolar, 3 spolar, 4 spolar, 5 spolar, 6 spolar, 7 spolar, 8 spolar, 9 spolar, 10 spolar, 11 spolar, 12 spolar |
| Nominellt flöde | 100 l/min (26,5 US gpm) |
| Maximalt tryck | 350 bar (5100 psi) |
| Inloppsport | G3/4, M22×1.5, M27×2.0, SAE 10, SAE 12, 3/4 NPT |
| Utloppsport | G3/4, M22×1.5, M27×2.0, SAE 10, SAE 12, 3/4 NPT |
| Portstorlek | G3/4, M22×1.5, M27×2.0, SAE 10, SAE 12, 3/4 NPT |
| Sektion | 1 sektion, 2 sektioner, 3 sektioner, 4 sektioner, 5 sektioner, 6 sektioner, 7 sektioner, 8 sektioner, 9 sektioner, 10 sektioner, 11 sektioner, 12 sektioner |
| Strukturtyp | Sektionsventil |
| Omgivningstemperaturintervall | -40°C till +60°C (-40°F till +140°F) |
| Driftsviskositetsintervall | 15 - 75 mm²/s (15 cSt till 75 cSt) |
**Viktiga egenskaper och fördelar:**
- Hög flödeskapacitet på 100 L/min för effektiv systemdrift
- Maximalt tryck på 350 bar för krävande applikationer
- Pneumatisk styrmetod för exakt och responsiv ventilstyrning
- Sektionsventildesign möjliggör enkel anpassning och modularitet
- Brett driftsviskositetsområde på 15 - 75 mm²/s för kompatibilitet med olika hydraulvätskor
- Kompakt och lätt design för utrymmessnål installation
**Applikationer:**
DCV100 pneumatisk 1-spolig sektionsriktningsventil är lämplig för användning i en mängd olika hydraulsystem, inklusive:
- Materialhanteringsutrustning
- Bygg- och markbearbetningsmaskiner
- Jordbruksmaskiner
- Industriella fordon
**Specifika applikationer:**
- Teleskoplastare
- Gaffeltruckar
- Terrängkranar
- Stablare
- Arbetsplattformar
- Vägskrapor
- Grävmaskiner
- Kompaklastare (skid steer)
- Kompakta hjullastare



