Snabb leverans
30 dagars expressleverans



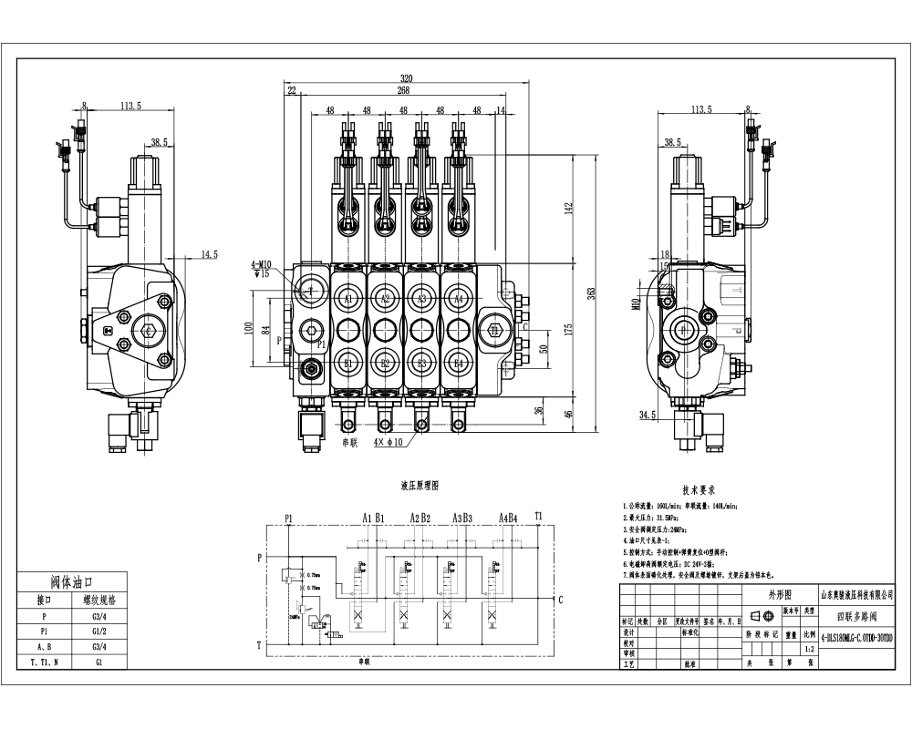
HSDLS180 är en robust, manuell 4-spolig sektionell hydraulisk riktningsventil med elektrisk avlastning, designad för högflödes- och högtrycksapplikationer inom materialhantering, konstruktion, jordbruk och industrifordon. Den erbjuder pålitlig kontroll och hållbarhet i krävande miljöer.
| SDS180-serien Sektionsstyrvventil Parameters | |
|---|---|
| Spole | 1 spole, 3 spolar, 4 spolar, 5 spolar, 6 spolar, 7 spolar |
| Kontrollmetod | Manuell, Hydraulisk |
| Portstorlek | G3/4, G1, SAE 12 |
| Sektion | 1 sektion, 2 sektioner, 3 sektioner, 4 sektioner, 5 sektioner, 6 sektioner, 7 sektioner, 8 sektioner, 9 sektioner, 10 sektioner |
| Omgivningstemperaturintervall | -40°C till +80°C (-40°F till +176°F) |
| Driftsviskositetsintervall | 12 - 400 mm²/s (12 cSt till 400 cSt) |
| Utloppsport | G1, SAE 16 |
| Maximalt tryck | 350 bar (5100 psi) |
| Nominellt flöde | 160 l/min (42,2 US gpm) |
| Strukturtyp | Sektionsventil |
| Inloppsport | G3/4, G1, SAE 12 |
HSDLS180-Elektrisk avlastningsventil Manuell 4-spolig Sektionell Riktningsventil är en högpresterande hydraulisk komponent idealisk för ett brett utbud av applikationer som kräver exakt och kraftfull kontroll av hydrauliska system. Dess nyckelfunktioner inkluderar:
* **Högt flöde:** 160 L/min (42.2 US gpm) säkerställer effektiv drift även under tunga laster.
* **Högt tryckmotstånd:** En maximal tryckklass på 350 bar (5100 psi) garanterar pålitlig prestanda under krävande förhållanden.
* **Brett viskositetsområde:** Ventilen fungerar effektivt med vätskor från 12 till 400 mm²/s (12 cSt till 400 cSt).
* **Hållbar konstruktion:** Byggd för att tåla tuffa miljöer, med ett driftstemperaturområde på -40°C till +80°C (-40°F till +176°F).
* **Manuell styrning:** Enkel och intuitiv användning via manuell aktivering.
* **Elektrisk avlastning:** Underlättar snabbare och enklare avlastning av hydraulsystemet.
* **Fyra sektioner:** Möjliggör oberoende kontroll av fyra hydrauliska funktioner.
* **Sektionsventilkonstruktion:** Erbjuder modularitet och enkelt underhåll.
**Applikationer:** HSDLS180 är perfekt lämpad för olika applikationer, inklusive:
* **Materialhantering:** Gaffeltruckar, teleskoplastare och annan materialhanteringsutrustning.
* **Konstruktion och markarbeten:** Kompakta lastare, kompakta hjullastare, hjullastare, grävlastare.
* **Jordbruk:** Traktorer, skördare, balpressar och andra jordbruksmaskiner.
* **Industrifordon:** Olika industrimaskiner som kräver exakt hydraulisk kontroll.
Vi erbjuder tillverkning, OEM, private labeling, anpassning och grossisttjänster för denna ventil. Vi söker aktivt distributörer, grossister, agenter och handelspartners över hela världen för att utöka vår marknadsräckvidd. Kontakta oss för att diskutera dina specifika krav och utforska partnerskapsmöjligheter.



