Snabb leverans
30 dagars expressleverans



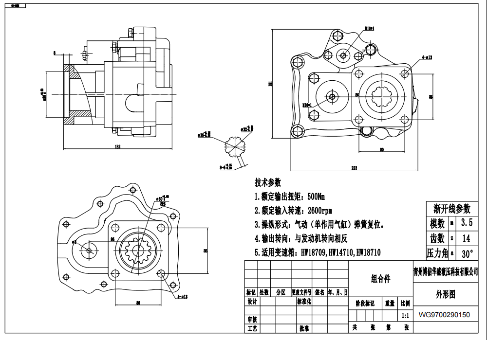
Denna HW50-03 WG9700290150 är en robust 4-bultad kraftuttagsenhet designad för krävande applikationer, som erbjuder ett nominellt utgående vridmoment på 350 Nm och ett varvtalsförhållande på 1.14. Den har pneumatisk (enkelverkande cylinder) återställningsmanövrering med fjäder och trycksmörjning för tillförlitlig prestanda, vilket gör den idealisk för ett brett utbud av industri-, bygg- och jordbruksmaskiner.
| PTO-serien Kraftuttag Parameters | |
|---|---|
| Monteringstyp | 8 bultar, 4 bultar |
| Styrlufttryck | 8-12 bar |
| Utgående rotationsriktning | Motsatt motorns rotationsriktning |
| Manövreringsform | Pneumatisk (enkelverkande cylinder) fjäderåterställning |
| Hastighetsförhållande | 1.14 |
| Nominellt utgående vridmoment | 350 Nm |
| Smörjningsalternativ | Trycksmörjning |
| Monteringsalternativ | Standardmontering |
Produktegenskaper & fördelar:
* Högt vridmoment: Klassificerad till 350 Nm, är detta kraftuttag lämpligt för att driva krävande hydraulpumpar och annan hjälputrustning som kräver betydande effekt.
* Pneumatisk styrning: Använder en enkelverkande cylinder med fjäderåterställning för exakt, snabb och tillförlitlig in- och urkoppling, som fungerar effektivt med ett lufttryck på 8-12 bar.
* Hållbar montering: Har ett standard 4-bultsmonteringsalternativ, vilket säkerställer en säker och stabil fastsättning på fordonets växellåda, designad för robust prestanda.
* Effektiv smörjning: Utrustad med ett trycksmörjningssystem som säkerställer optimal och kontinuerlig smörjning av interna komponenter, vilket avsevärt förlänger enhetens livslängd och minskar underhållsbehovet.
* Optimerat varvtalsförhållande: Ett noggrant valt varvtalsförhållande på 1.14 säkerställer effektiv och verkningsfull kraftöverföring från motorn till den drivna hjälputrustningen.
* Mångsidig styrning: Utgångens rotationsriktning är motsatt motorns rotationsriktning, vilket ger flexibilitet i systemdesign och integration med olika hydrauliska konfigurationer.
* Robust konstruktion: Byggd med högkvalitativa material och konstruerad för tung, kontinuerlig drift i utmanande och krävande arbetsmiljöer.
Applikationsscenarier:
Detta HW50-03 kraftuttag är perfekt lämpat för en mängd mobila och stationära hydraulsystem som kräver tillförlitlig och kontrollerbar kraftuttag från ett fordons transmission, och täcker olika sektorer:
* Bygg & schaktning: Väsentligt för att driva hydraulpumpar i tunga maskiner som kranar, grävmaskiner, hjullastare, grävlastare, väghyvlar och betongpumpar.
* Industrifordon: Möjliggör avgörande hjälpfunktioner i olika industrifordon inklusive dumprar, kroklyftar, avfallskomprimatorer och sopmaskiner.
* Jordbruk: Används i stor utsträckning för att driva hydraulsystem i moderna lantbruksmaskiner som traktorer, skördare, balpressar, sprutor och andra jordbruksredskap.
* Materialhantering: Ger robust kraft för teleskoplastare och gaffeltruckar, särskilt de som är utrustade med specialiserade hydrauliska tillbehör för att lyfta och manipulera tunga laster.
* Specialutrustning: Användbar i skogsvagnar, borriggar och annan tung mobil utrustning som kräver en robust, effektiv och kontrollerbar kraftkälla för specialfunktioner.



