Snabb leverans
30 dagars expressleverans



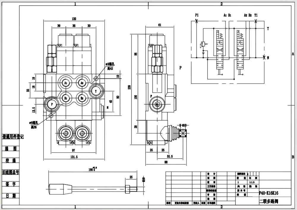
P40-G12-G38-2QTW Manuell 2 Spols Monoblock Riktningsventil är en högpresterande hydraulventil designad för krävande applikationer inom olika industrier. Med ett nominellt flöde på 40 L/min och ett maximalt tryck på 250 bar, ger denna ventil tillförlitlig och effektiv flödeskontroll för hydrauliska system. Dess kompakta monoblockdesign erbjuder utrymmesbesparande fördelar, medan den manuella kontrollen säkerställer exakt och responsiv drift.
| P40-serien Monoblockriktningsventil Parameters | |
|---|---|
| Kontrollmetod | Manuell, Pneumatisk, Elektropneumatisk, Elektrohydraulisk, Solenoid, Hydraulisk, Hydraulisk och Manuell, Kabel, Joystick, Manuell och Joystick |
| Spole | 1 spole, 2 spolar, 3 spolar, 4 spolar, 5 spolar, 6 spolar, 7 spolar |
| Nominellt flöde | 40 l/min (10,5 US gpm) |
| Maximalt tryck | 250 bar (3600 psi) |
| Inloppsport | G3/8, G1/2, M18×1.5, M22×1.5, SAE 8, SAE 10, 3/8 NPT, 1/2 NPT |
| Utloppsport | G3/8, G1/2, M18×1.5, M22×1.5, SAE 8, SAE 10, 3/8 NPT, 1/2 NPT |
| Portstorlek | G3/8, G1/2, M18×1.5, SAE 8, SAE 10, 3/8 NPT, 1/2 NPT |
| Sektion | 1 sektion, 2 sektioner, 3 sektioner, 4 sektioner, 5 sektioner, 6 sektioner, 7 sektioner |
| Strukturtyp | Monoblockventil |
| Omgivningstemperaturintervall | -40°C till +80°C (-40°F till +176°F) |
| Driftsviskositetsintervall | 15 - 75 mm²/s (15 cSt till 75 cSt) |
**Produktfunktioner och Fördelar:**
* Hög flödeskapacitet och tryckklassning för krävande applikationer
* Kompakt monoblockdesign för utrymmesbesparande installation
* Manuell kontroll för exakt och responsiv drift
* Hållbar konstruktion för långvarig prestanda
* Lämplig för ett brett utbud av hydrauliska system
**Applikationer:**
* Materialhanteringsutrustning
* Bygg- och markbearbetningsmaskiner
* Jordbruksfordon
* Industrifordon
**Tillämpliga Maskinmodeller:**
* Teleskoplastare
* Gaffeltruckar
* Terrängkranar
* Staplare
* Arbetsplattformar
* Motorväghyvlar
* Midigrävmaskiner
* Minigrävmaskiner
* Kompakta lastare
* Kompakta hjullastare



