Snabb leverans
30 dagars expressleverans



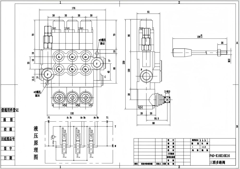
P40-G12-G38-3QTW Manuell 3-spols monoblock riktningsventil är en högpresterande hydraulventil utformad för användning i ett brett spektrum av industriella applikationer. Den har en robust monoblockkonstruktion, manuell styrning och ett flöde på 40 L/min. Med ett maximalt tryck på 250 bar och ett driftstemperaturområde på -40°C till +80°C är denna ventil lämplig för krävande applikationer inom olika industrier.
| P40-serien Monoblockriktningsventil Parameters | |
|---|---|
| Kontrollmetod | Manuell, Pneumatisk, Elektropneumatisk, Elektrohydraulisk, Solenoid, Hydraulisk, Hydraulisk och Manuell, Kabel, Joystick, Manuell och Joystick |
| Spole | 1 spole, 2 spolar, 3 spolar, 4 spolar, 5 spolar, 6 spolar, 7 spolar |
| Nominellt flöde | 40 l/min (10,5 US gpm) |
| Maximalt tryck | 250 bar (3600 psi) |
| Inloppsport | G3/8, G1/2, M18×1.5, M22×1.5, SAE 8, SAE 10, 3/8 NPT, 1/2 NPT |
| Utloppsport | G3/8, G1/2, M18×1.5, M22×1.5, SAE 8, SAE 10, 3/8 NPT, 1/2 NPT |
| Portstorlek | G3/8, G1/2, M18×1.5, SAE 8, SAE 10, 3/8 NPT, 1/2 NPT |
| Sektion | 1 sektion, 2 sektioner, 3 sektioner, 4 sektioner, 5 sektioner, 6 sektioner, 7 sektioner |
| Strukturtyp | Monoblockventil |
| Omgivningstemperaturintervall | -40°C till +80°C (-40°F till +176°F) |
| Driftsviskositetsintervall | 15 - 75 mm²/s (15 cSt till 75 cSt) |
**Produktegenskaper och fördelar:**
- Manuell styrning för exakt och tillförlitlig drift
- Monoblockkonstruktion för ökad hållbarhet och minskat läckage
- Flödeshastighet på 40 L/min för effektiv drift
- Maximalt tryck på 250 bar för krävande applikationer
- Brett driftstemperaturområde på -40°C till +80°C för användning i olika miljöer
- 3-spolsdesign för mångsidiga kontrollalternativ
**Applikationer:**
- Materialhanteringsutrustning
- Bygg- och anläggningsmaskiner
- Jordbruksmaskiner
- Industriella fordon
- Och många andra hydrauliska applikationer



