Snabb leverans
30 dagars expressleverans



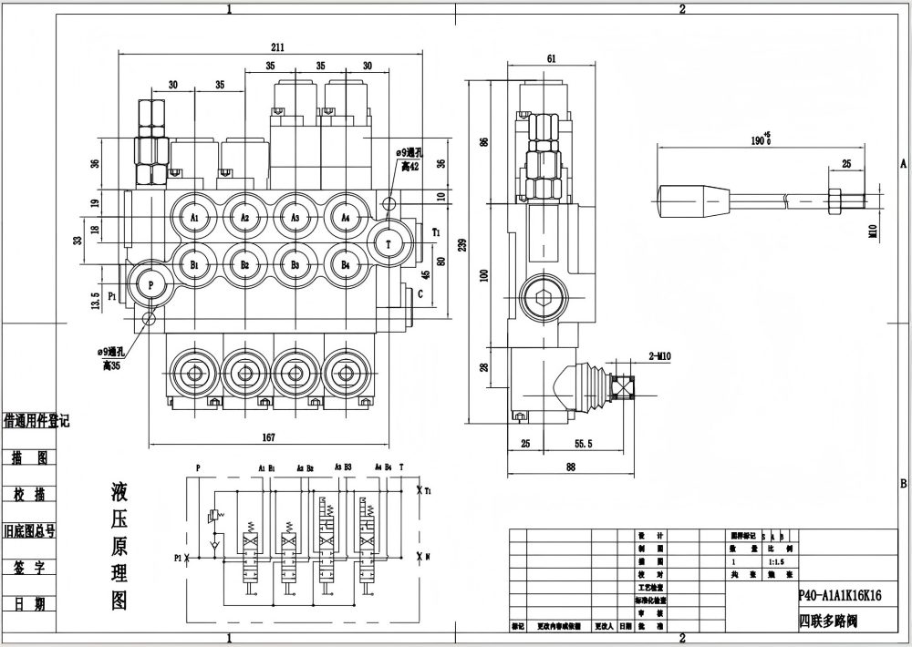
P40-G12-G38 Manuell 4-spols monoblock riktningsventil är en högpresterande hydraulventil designad för olika applikationer inom industrier som materialhantering, byggnation, jordbruk och industrifordon. Med sin robusta konstruktion, tillförlitliga manuella kontroll och kompakta monoblockdesign erbjuder denna ventil exakt flödeskontroll och riktningsomkoppling i hydraulsystem.
| P40-serien Monoblockriktningsventil Parameters | |
|---|---|
| Kontrollmetod | Manuell, Pneumatisk, Elektropneumatisk, Elektrohydraulisk, Solenoid, Hydraulisk, Hydraulisk och Manuell, Kabel, Joystick, Manuell och Joystick |
| Spole | 1 spole, 2 spolar, 3 spolar, 4 spolar, 5 spolar, 6 spolar, 7 spolar |
| Nominellt flöde | 40 l/min (10,5 US gpm) |
| Maximalt tryck | 250 bar (3600 psi) |
| Inloppsport | G3/8, G1/2, M18×1.5, M22×1.5, SAE 8, SAE 10, 3/8 NPT, 1/2 NPT |
| Utloppsport | G3/8, G1/2, M18×1.5, M22×1.5, SAE 8, SAE 10, 3/8 NPT, 1/2 NPT |
| Portstorlek | G3/8, G1/2, M18×1.5, SAE 8, SAE 10, 3/8 NPT, 1/2 NPT |
| Sektion | 1 sektion, 2 sektioner, 3 sektioner, 4 sektioner, 5 sektioner, 6 sektioner, 7 sektioner |
| Strukturtyp | Monoblockventil |
| Omgivningstemperaturintervall | -40°C till +80°C (-40°F till +176°F) |
| Driftsviskositetsintervall | 15 - 75 mm²/s (15 cSt till 75 cSt) |
**Produktegenskaper och fördelar:**
* Manuell kontroll för exakt och responsiv drift
* 4-spolsdesign för mångsidig flödeskontroll
* Monoblockkonstruktion för kompakt och läckagefri prestanda
* Flödeskapacitet på 40 L/min (10,5 US gpm)
* Maximalt tryck på 250 bar (3600 psi)
* Brett viskositetsområde för drift på 15 - 75 mm²/s (15 cSt till 75 cSt)
* Hållbar konstruktion för krävande applikationer
**Applikationer:**
P40-G12-G38 Manuell 4-spols monoblock riktningsventil är lämplig för ett brett utbud av applikationer, inklusive:
* Materialhanteringsutrustning, såsom gaffeltruckar, teleskoplastare och kranar
* Byggmaskiner, såsom grävmaskiner, kompaktlastare och väghyvlar
* Jordbruksfordon, såsom traktorer, skördetröskor och balpressar
* Industrifordon, såsom sopmaskiner, avfallskompaktorer och lastväxlare



