Snabb leverans
30 dagars expressleverans



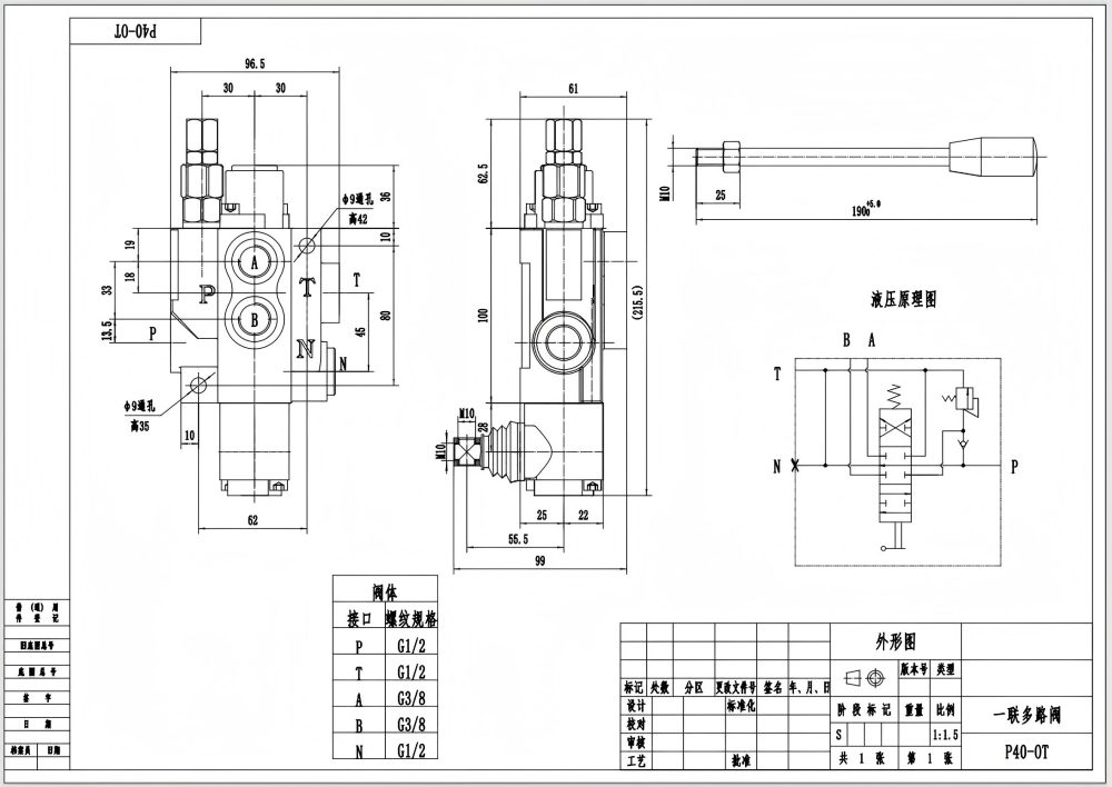
P40-G12-OT Manuell 1-spolig monoblockriktningsventil är en högpresterande hydraulventil designad för krävande applikationer inom olika industrier. Med ett nominellt flöde på 40 L/min och ett maximalt tryck på 250 bar, ger denna ventil tillförlitlig och effektiv flödeskontroll. Dess kompakta monoblockdesign säkerställer hållbarhet och enkel installation, vilket gör den till ett idealiskt val för applikationer där utrymme är en begränsning.
| P40-serien Monoblockriktningsventil Parameters | |
|---|---|
| Kontrollmetod | Manuell, Pneumatisk, Elektropneumatisk, Elektrohydraulisk, Solenoid, Hydraulisk, Hydraulisk och Manuell, Kabel, Joystick, Manuell och Joystick |
| Spole | 1 spole, 2 spolar, 3 spolar, 4 spolar, 5 spolar, 6 spolar, 7 spolar |
| Nominellt flöde | 40 l/min (10,5 US gpm) |
| Maximalt tryck | 250 bar (3600 psi) |
| Inloppsport | G3/8, G1/2, M18×1.5, M22×1.5, SAE 8, SAE 10, 3/8 NPT, 1/2 NPT |
| Utloppsport | G3/8, G1/2, M18×1.5, M22×1.5, SAE 8, SAE 10, 3/8 NPT, 1/2 NPT |
| Portstorlek | G3/8, G1/2, M18×1.5, SAE 8, SAE 10, 3/8 NPT, 1/2 NPT |
| Sektion | 1 sektion, 2 sektioner, 3 sektioner, 4 sektioner, 5 sektioner, 6 sektioner, 7 sektioner |
| Strukturtyp | Monoblockventil |
| Omgivningstemperaturintervall | -40°C till +80°C (-40°F till +176°F) |
| Driftsviskositetsintervall | 15 - 75 mm²/s (15 cSt till 75 cSt) |
**Produktegenskaper och fördelar:**
* Manuell styrning för exakt flödesreglering
* 1-sektionsdesign för enkel och effektiv drift
* Monoblockkonstruktion för hållbarhet och kompakt storlek
* Driftsviskositetsområde på 15 - 75 mm²/s för kompatibilitet med olika hydraulvätskor
* Omgivningstemperaturområde på -40°C till +80°C för användning under extrema förhållanden
**Applikationer:**
P40-G12-OT Manuell 1-spolig monoblockriktningsventil används ofta i olika applikationer, inklusive:
* Materialhanteringsutrustning
* Bygg- och markbearbetningsmaskiner
* Lantbruksfordon
* Industrifordon
**Specifika applikationer:**
* Teleskoplastare
* Gaffeltruckar
* Terränggående kranar
* Stackerar
* Skyliftar
* Vägskrapor
* Midigrävmaskiner
* Minigrävmaskiner
* Minilastare (skid steer)



