Snabb leverans
30 dagars expressleverans



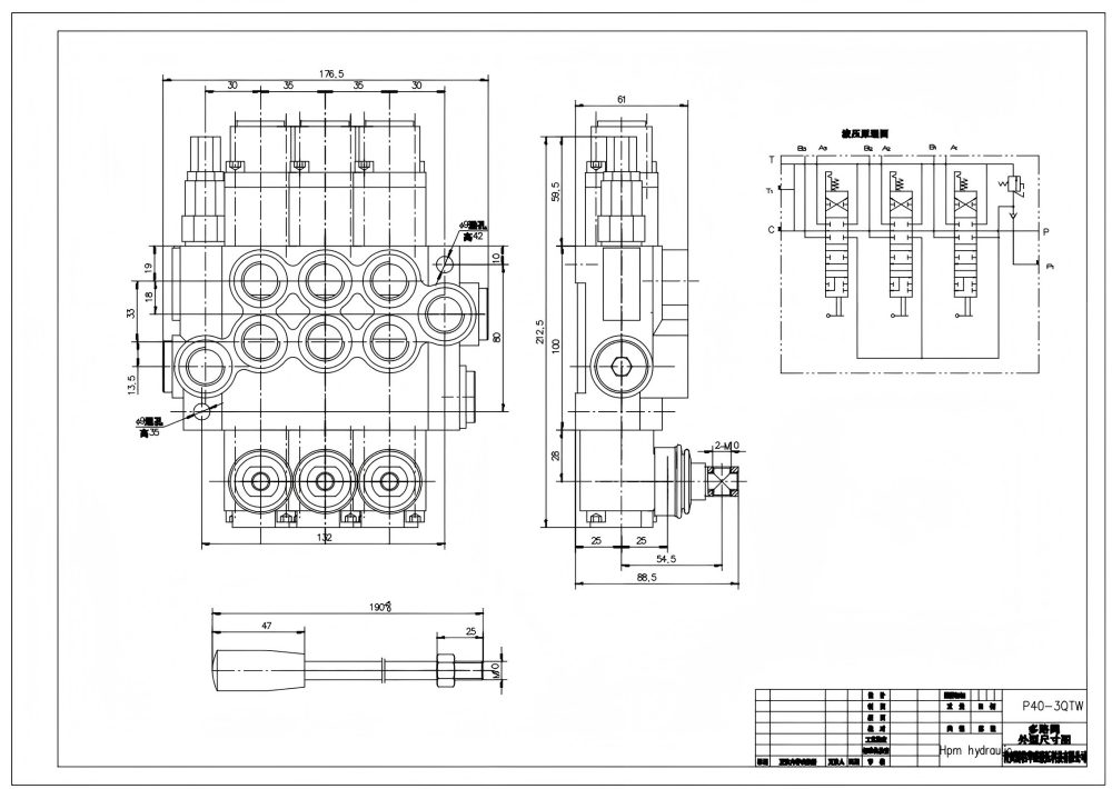
P40-G38-G12-OT Manuell 3-spolig monoblock riktningsventil är en högpresterande hydraulventil designad för krävande applikationer. Med ett nominellt flöde på 40 l/min (10,5 US gpm) och ett maximalt tryck på 250 bar (3600 psi) ger den tillförlitlig och effektiv flödeskontroll. Dess monoblockkonstruktion säkerställer hållbarhet och minimerar läckage, medan den manuella kontrollen möjliggör exakt och responsiv drift. Ventilen är lämplig för ett brett spektrum av applikationer, inklusive materialhantering, byggnation, jordbruk och industrifordon.
| P40-serien Monoblockriktningsventil Parameters | |
|---|---|
| Kontrollmetod | Manuell, Pneumatisk, Elektropneumatisk, Elektrohydraulisk, Solenoid, Hydraulisk, Hydraulisk och Manuell, Kabel, Joystick, Manuell och Joystick |
| Spole | 1 spole, 2 spolar, 3 spolar, 4 spolar, 5 spolar, 6 spolar, 7 spolar |
| Nominellt flöde | 40 l/min (10,5 US gpm) |
| Maximalt tryck | 250 bar (3600 psi) |
| Inloppsport | G3/8, G1/2, M18×1.5, M22×1.5, SAE 8, SAE 10, 3/8 NPT, 1/2 NPT |
| Utloppsport | G3/8, G1/2, M18×1.5, M22×1.5, SAE 8, SAE 10, 3/8 NPT, 1/2 NPT |
| Portstorlek | G3/8, G1/2, M18×1.5, SAE 8, SAE 10, 3/8 NPT, 1/2 NPT |
| Sektion | 1 sektion, 2 sektioner, 3 sektioner, 4 sektioner, 5 sektioner, 6 sektioner, 7 sektioner |
| Strukturtyp | Monoblockventil |
| Omgivningstemperaturintervall | -40°C till +80°C (-40°F till +176°F) |
| Driftsviskositetsintervall | 15 - 75 mm²/s (15 cSt till 75 cSt) |
**Produktegenskaper och fördelar:**
* **Flödeskapacitet:** Nominellt flöde på 40 l/min (10,5 US gpm) för effektiv vätskeöverföring.
* **Tryckkapacitet:** Maximalt tryck på 250 bar (3600 psi) för krävande applikationer.
* **Monoblockkonstruktion:** Hållbar och läcksäker design för tillförlitlig prestanda.
* **Manuell kontroll:** Exakt och responsiv drift för optimal flödeskontroll.
* **Brett driftstemperaturområde:** -40°C till +80°C (-40°F till +176°F) för användning i olika miljöer.
**Applikationer:**
* Materialhantering: Gaffeltruckar, teleskoplastare, kranar, staplare
* Bygg och markarbeten: Grävmaskiner, lastare, väghyvlar, dumprar
* Jordbruk: Traktorer, skördetröskor, balpressar, sprutor
* Industrifordon: Sopmaskiner, avfallspressar, kroklyftar



