Snabb leverans
30 dagars expressleverans



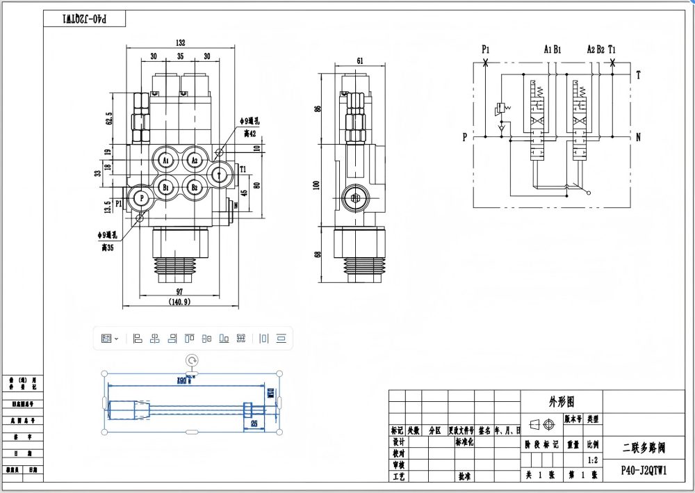
P40 Manuell och Joystick 2 Spolar Monoblock Riktningsventil är en högpresterande hydraulventil designad för krävande applikationer. Med ett nominellt flöde på 40 L/min och ett maximalt tryck på 250 bar ger den exakt kontroll över vätskeflöde och riktning. Dess kompakta monoblockdesign säkerställer hållbarhet och tillförlitlighet, medan dess manuella och joystick-kontrollalternativ erbjuder mångsidighet och enkel användning.
| P40-serien Monoblockriktningsventil Parameters | |
|---|---|
| Kontrollmetod | Manuell, Pneumatisk, Elektropneumatisk, Elektrohydraulisk, Solenoid, Hydraulisk, Hydraulisk och Manuell, Kabel, Joystick, Manuell och Joystick |
| Spole | 1 spole, 2 spolar, 3 spolar, 4 spolar, 5 spolar, 6 spolar, 7 spolar |
| Nominellt flöde | 40 l/min (10,5 US gpm) |
| Maximalt tryck | 250 bar (3600 psi) |
| Inloppsport | G3/8, G1/2, M18×1.5, M22×1.5, SAE 8, SAE 10, 3/8 NPT, 1/2 NPT |
| Utloppsport | G3/8, G1/2, M18×1.5, M22×1.5, SAE 8, SAE 10, 3/8 NPT, 1/2 NPT |
| Portstorlek | G3/8, G1/2, M18×1.5, SAE 8, SAE 10, 3/8 NPT, 1/2 NPT |
| Sektion | 1 sektion, 2 sektioner, 3 sektioner, 4 sektioner, 5 sektioner, 6 sektioner, 7 sektioner |
| Strukturtyp | Monoblockventil |
| Omgivningstemperaturintervall | -40°C till +80°C (-40°F till +176°F) |
| Driftsviskositetsintervall | 15 - 75 mm²/s (15 cSt till 75 cSt) |
**Produktegenskaper och fördelar:**
- Nominellt flöde på 40 L/min (10.5 US gpm) för effektiv flödeskontroll
- Maximalt tryck på 250 bar (3600 psi) för tillförlitlig drift i högtryckssystem
- Manuell och joystick-kontrollalternativ ger flexibilitet och enkel användning
- Monoblockdesign för ökad hållbarhet och minskat läckage
- Driftviskositetsområde på 15 - 75 mm²/s (15 cSt till 75 cSt) för kompatibilitet med olika vätskor
- Omgivningstemperaturområde på -40°C till +80°C (-40°F till +176°F) för användning under extrema temperaturförhållanden
**Applikationer:**
- Materialhanteringsutrustning
- Bygg- och markflyttningsmaskiner
- Jordbruksmaskiner
- Industrifordon



