Snabb leverans
30 dagars expressleverans



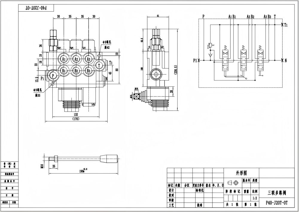
P40 Manuell och Joystick 3-spols monoblock riktningsventil är en högpresterande hydraulventil utformad för krävande applikationer inom olika branscher. Med ett nominellt flöde på 40 L/min och ett maximalt tryck på 250 bar erbjuder den tillförlitlig och effektiv flödeskontroll. Dess mångsidiga manuella och joystick-kontrollalternativ gör den lämplig för exakt drift i olika scenarier.
| P40-serien Monoblockriktningsventil Parameters | |
|---|---|
| Kontrollmetod | Manuell, Pneumatisk, Elektropneumatisk, Elektrohydraulisk, Solenoid, Hydraulisk, Hydraulisk och Manuell, Kabel, Joystick, Manuell och Joystick |
| Spole | 1 spole, 2 spolar, 3 spolar, 4 spolar, 5 spolar, 6 spolar, 7 spolar |
| Nominellt flöde | 40 l/min (10,5 US gpm) |
| Maximalt tryck | 250 bar (3600 psi) |
| Inloppsport | G3/8, G1/2, M18×1.5, M22×1.5, SAE 8, SAE 10, 3/8 NPT, 1/2 NPT |
| Utloppsport | G3/8, G1/2, M18×1.5, M22×1.5, SAE 8, SAE 10, 3/8 NPT, 1/2 NPT |
| Portstorlek | G3/8, G1/2, M18×1.5, SAE 8, SAE 10, 3/8 NPT, 1/2 NPT |
| Sektion | 1 sektion, 2 sektioner, 3 sektioner, 4 sektioner, 5 sektioner, 6 sektioner, 7 sektioner |
| Strukturtyp | Monoblockventil |
| Omgivningstemperaturintervall | -40°C till +80°C (-40°F till +176°F) |
| Driftsviskositetsintervall | 15 - 75 mm²/s (15 cSt till 75 cSt) |
**Produktegenskaper och fördelar:**
* Manuell och joystick-kontroll för exakt och mångsidig användning
* 3-spols design för oberoende styrning av flera hydrauliska kretsar
* Monoblockkonstruktion för kompakt storlek och minskat läckage
* Nominellt flöde på 40 L/min för effektiv prestanda
* Maximalt tryck på 250 bar för krävande applikationer
* Driftsviskositetsområde på 15 - 75 mm²/s för kompatibilitet med olika hydraulvätskor
* Omgivningstemperaturområde från -40°C till +80°C för drift i olika miljöer
**Applikationer:**
P40 Manuell och Joystick 3-spols monoblock riktningsventil används i stor utsträckning inom olika branscher, inklusive:
* Materialhanteringsutrustning (gaffeltruckar, teleskoplastare, staplare)
* Byggmaskiner (grävmaskiner, lastare, kranar)
* Jordbruksmaskiner (traktorer, skördare, balpressar)
* Industrifordon (sopmaskiner, avfallskompaktorer, kroklastare)



