Snabb leverans
30 dagars expressleverans



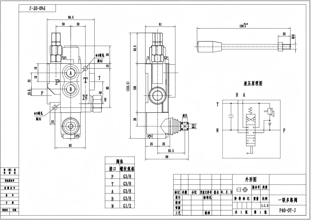
P40J Manuell 1-spols monoblock riktningsventil är en högpresterande hydraulventil designad för exakt flödeskontroll i olika hydraulsystem. Med ett nominellt flöde på 40 L/min och ett maximalt tryck på 250 bar, erbjuder denna ventil tillförlitlig och effektiv drift. Dess kompakta monoblockdesign säkerställer hållbarhet och enkel installation.
| P40-serien Monoblockriktningsventil Parameters | |
|---|---|
| Kontrollmetod | Manuell, Pneumatisk, Elektropneumatisk, Elektrohydraulisk, Solenoid, Hydraulisk, Hydraulisk och Manuell, Kabel, Joystick, Manuell och Joystick |
| Spole | 1 spole, 2 spolar, 3 spolar, 4 spolar, 5 spolar, 6 spolar, 7 spolar |
| Nominellt flöde | 40 l/min (10,5 US gpm) |
| Maximalt tryck | 250 bar (3600 psi) |
| Inloppsport | G3/8, G1/2, M18×1.5, M22×1.5, SAE 8, SAE 10, 3/8 NPT, 1/2 NPT |
| Utloppsport | G3/8, G1/2, M18×1.5, M22×1.5, SAE 8, SAE 10, 3/8 NPT, 1/2 NPT |
| Portstorlek | G3/8, G1/2, M18×1.5, SAE 8, SAE 10, 3/8 NPT, 1/2 NPT |
| Sektion | 1 sektion, 2 sektioner, 3 sektioner, 4 sektioner, 5 sektioner, 6 sektioner, 7 sektioner |
| Strukturtyp | Monoblockventil |
| Omgivningstemperaturintervall | -40°C till +80°C (-40°F till +176°F) |
| Driftsviskositetsintervall | 15 - 75 mm²/s (15 cSt till 75 cSt) |
**Produktegenskaper och fördelar:**
- Manuell styrning för exakt flödesreglering
- Monoblockkonstruktion för hållbarhet och kompakt storlek
- Nominellt flöde på 40 L/min för effektiv systemprestanda
- Max tryck på 250 bar för krävande applikationer
- Brett viskositetsområde (15 - 75 mm²/s) för kompatibilitet med olika vätskor
- Driftstemperaturområde från -40°C till +80°C för tillförlitlig prestanda under olika förhållanden
**Applikationer:**
- Hydraulsystem i byggutrustning
- Jordbruksmaskiner
- Industriella fordon
- Materialhanteringsutrustning
- Teleskoplastare
- Gaffeltruckar
- Terrängkranar
- Stablare
- Arbetsplattformar
- Vägskrapor
- Grävmaskiner
- Minilastare
- Kompakta hjullastare



