Snabb leverans
30 dagars expressleverans



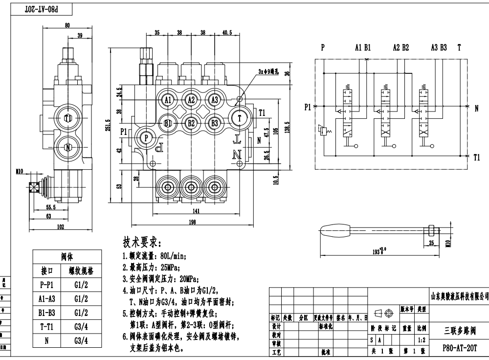
P80-G12-G34-AT-2OT Manuell 3-spolig monoblock riktningsventil är en högflödes-, högtrycksventil designad för krävande hydrauliska applikationer. Den har en manuell styrningsmetod, 3-spolig design och en monoblockstruktur för ökad hållbarhet och tillförlitlighet. Med ett nominellt flöde på 80 L/min och ett maximalt tryck på 250 bar, är denna ventil lämplig för ett brett utbud av applikationer inom materialhantering, bygg- och anläggningsarbeten, jordbruk och industrifordon.
| P80-serien Monoblockriktningsventil Parameters | |
|---|---|
| Spole | 1 spole, 2 spolar, 3 spolar, 4 spolar, 5 spolar, 6 spolar, 7 spolar |
| Kontrollmetod | Manuell, Pneumatisk, Elektropneumatisk, Elektrohydraulisk, Solenoid, Hydraulisk, Hydraulisk och Manuell, Kabel, Joystick |
| Portstorlek | G1/2, G3/4, M22×1.5, M27×2.0, SAE 10, 1/2 NPT, 3/4 NPT |
| Sektion | 1 sektion, 2 sektioner, 3 sektioner, 4 sektioner, 5 sektioner, 6 sektioner, 7 sektioner |
| Omgivningstemperaturintervall | -40°C till +80°C (-40°F till +176°F) |
| Driftsviskositetsintervall | 15 - 75 mm²/s (15 cSt till 75 cSt) |
| Maximalt tryck | 315 bar (4600 psi) |
| Nominellt flöde | 80 l/min (21,2 US gpm) |
| Strukturtyp | Monoblockventil |
| Inloppsport | G1/2, G3/4, M27×2.0, SAE 10, SAE 12, 1/2 NPT, 3/4 NPT |
**Produktfunktioner och Fördelar:**
* Hög flödeskapacitet på 80 L/min för effektiv drift
* Högtrycksklassificering på 250 bar för krävande applikationer
* Manuell styrningsmetod för exakt och responsiv drift
* 3-spolig design för mångsidig kontroll av flera hydrauliska funktioner
* Monoblockstruktur för ökad hållbarhet och minskat läckage
* Brett arbetsviskositetsområde på 15 - 75 mm²/s för kompatibilitet med olika hydraulvätskor
* Brett omgivningstemperaturområde på -40°C till +80°C för tillförlitlig prestanda under extrema förhållanden
**Applikationer:**
* Materialhantering: Gaffeltruckar, teleskoplastare, kranar, staplare, liftar
* Bygg- och anläggningsarbeten: Grävmaskiner, kompaktlastare, kompakthjullastare, väghyvlar
* Jordbruk: Traktorer, skördetröskor, balpressar, sprutor
* Industrifordon: Sopmaskiner, avfallskomprimatorer, lastväxlare, kranbilar med kroklyft



