Snabb leverans
30 dagars expressleverans



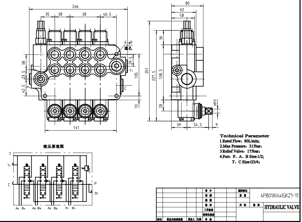
P80-G12-G34-OT manuella 4-spoliga monoblock riktningsventil är en mycket mångsidig och hållbar komponent utformad för ett brett spektrum av hydrauliska applikationer. Med ett nominellt flöde på 80 L/min (21,2 US gpm) och ett maximalt tryck på 250 bar (3600 psi) kan denna ventil hantera krävande hydraulsystem. Dess kompakta monoblockdesign säkerställer enkel installation och underhåll.
| P80-serien Monoblockriktningsventil Parameters | |
|---|---|
| Spole | 1 spole, 2 spolar, 3 spolar, 4 spolar, 5 spolar, 6 spolar, 7 spolar |
| Kontrollmetod | Manuell, Pneumatisk, Elektropneumatisk, Elektrohydraulisk, Solenoid, Hydraulisk, Hydraulisk och Manuell, Kabel, Joystick |
| Portstorlek | G1/2, G3/4, M22×1.5, M27×2.0, SAE 10, 1/2 NPT, 3/4 NPT |
| Sektion | 1 sektion, 2 sektioner, 3 sektioner, 4 sektioner, 5 sektioner, 6 sektioner, 7 sektioner |
| Omgivningstemperaturintervall | -40°C till +80°C (-40°F till +176°F) |
| Driftsviskositetsintervall | 15 - 75 mm²/s (15 cSt till 75 cSt) |
| Maximalt tryck | 315 bar (4600 psi) |
| Nominellt flöde | 80 l/min (21,2 US gpm) |
| Strukturtyp | Monoblockventil |
| Inloppsport | G1/2, G3/4, M27×2.0, SAE 10, SAE 12, 1/2 NPT, 3/4 NPT |
**Produktegenskaper och fördelar:**
* **Kompakt monoblockdesign:** Enkel installation och underhåll
* **Hög flödeskapacitet (80 L/min):** Lämplig för krävande hydraulsystem
* **Hög tryckklassning (250 bar):** Tål höga systemtryck
* **Manuell styrning:** Exakt och responsiv drift
* **Brett viskositetsområde (15 - 75 mm²/s):** Kan hantera olika hydraulvätskor
* **Hållbar konstruktion:** Säkerställer lång livslängd
**Applikationer:**
P80-G12-G34-OT manuella 4-spoliga monoblock riktningsventil används flitigt i olika hydrauliska applikationer, inklusive:
* Materialhanteringsutrustning (t.ex. gaffeltruckar, teleskoplastare)
* Bygg- och markbearbetningsmaskiner (t.ex. grävmaskiner, lastare)
* Jordbruksmaskiner (t.ex. traktorer, skördetröskor)
* Industrifordon (t.ex. sopmaskiner, avfallspressar)



