Snabb leverans
30 dagars expressleverans



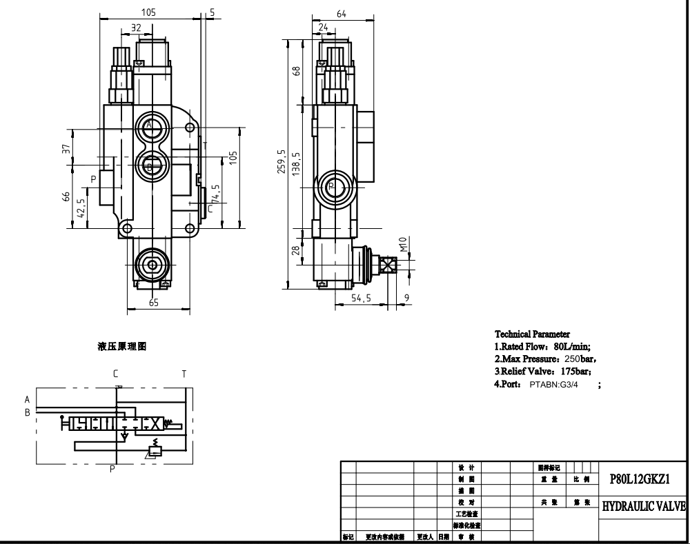
P80-G34-1OT Manuell 1-spols monoblock riktningsventil är en högpresterande hydraulventil designad för olika applikationer inom materialhantering, konstruktion, jordbruk och industrifordon. Den har en manuell styrmekanism, en enkelspoldesign och en robust monoblockkonstruktion.
| P80-serien Monoblockriktningsventil Parameters | |
|---|---|
| Spole | 1 spole, 2 spolar, 3 spolar, 4 spolar, 5 spolar, 6 spolar, 7 spolar |
| Kontrollmetod | Manuell, Pneumatisk, Elektropneumatisk, Elektrohydraulisk, Solenoid, Hydraulisk, Hydraulisk och Manuell, Kabel, Joystick |
| Portstorlek | G1/2, G3/4, M22×1.5, M27×2.0, SAE 10, 1/2 NPT, 3/4 NPT |
| Sektion | 1 sektion, 2 sektioner, 3 sektioner, 4 sektioner, 5 sektioner, 6 sektioner, 7 sektioner |
| Omgivningstemperaturintervall | -40°C till +80°C (-40°F till +176°F) |
| Driftsviskositetsintervall | 15 - 75 mm²/s (15 cSt till 75 cSt) |
| Maximalt tryck | 315 bar (4600 psi) |
| Nominellt flöde | 80 l/min (21,2 US gpm) |
| Strukturtyp | Monoblockventil |
| Inloppsport | G1/2, G3/4, M27×2.0, SAE 10, SAE 12, 1/2 NPT, 3/4 NPT |
**Produktfunktioner och fördelar:**
* Manuell styrning för exakt och pålitlig drift
* Monoblockdesign säkerställer strukturell integritet och hållbarhet
* Nominellt flöde på 80 L/min (21,2 US gpm) för effektiv systemprestanda
* Maximalt tryck på 250 bar (3600 psi) för krävande applikationer
* Driftviskositetsområde på 15 - 75 mm²/s (15 cSt till 75 cSt) för kompatibilitet med olika hydraulvätskor
* Brett omgivningstemperaturområde från -40°C till +80°C (-40°F till +176°F) för drift i olika miljöer
**Applikationer:**
P80-G34-1OT Manuell 1-spols monoblock riktningsventil är idealisk för användning i ett brett utbud av hydraulsystem, inklusive:
* Materialhanteringsutrustning (gaffeltruckar, teleskoplastare, staplare)
* Byggmaskiner (grävmaskiner, lastare, kranar)
* Jordbruksfordon (traktorer, skördetröskor, balpressar)
* Industrifordon (sopmaskiner, avfallskomprimatorer, kroklastare)



