Snabb leverans
30 dagars expressleverans



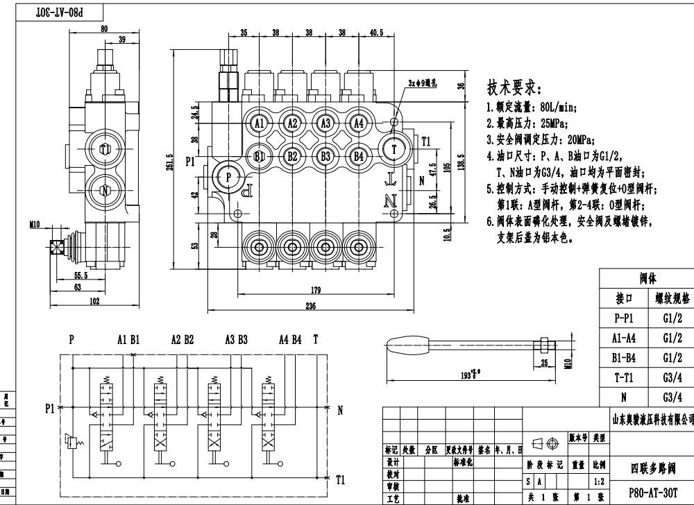
P80-G34-G12-AT-3OT Manuell 4 Spolig Monoblock Riktningsventil är en högpresterande hydraulventil designad för krävande applikationer inom olika industrier. Med ett nominellt flöde på 80 L/min och ett maximalt tryck på 250 bar, ger den tillförlitlig och effektiv kontroll av hydraulsystem. Monoblockdesignen säkerställer en kompakt och robust konstruktion, vilket gör den lämplig för användning i utrymmesbegränsade applikationer.
| P80-serien Monoblockriktningsventil Parameters | |
|---|---|
| Spole | 1 spole, 2 spolar, 3 spolar, 4 spolar, 5 spolar, 6 spolar, 7 spolar |
| Kontrollmetod | Manuell, Pneumatisk, Elektropneumatisk, Elektrohydraulisk, Solenoid, Hydraulisk, Hydraulisk och Manuell, Kabel, Joystick |
| Portstorlek | G1/2, G3/4, M22×1.5, M27×2.0, SAE 10, 1/2 NPT, 3/4 NPT |
| Sektion | 1 sektion, 2 sektioner, 3 sektioner, 4 sektioner, 5 sektioner, 6 sektioner, 7 sektioner |
| Omgivningstemperaturintervall | -40°C till +80°C (-40°F till +176°F) |
| Driftsviskositetsintervall | 15 - 75 mm²/s (15 cSt till 75 cSt) |
| Maximalt tryck | 315 bar (4600 psi) |
| Nominellt flöde | 80 l/min (21,2 US gpm) |
| Strukturtyp | Monoblockventil |
| Inloppsport | G1/2, G3/4, M27×2.0, SAE 10, SAE 12, 1/2 NPT, 3/4 NPT |
**Produktegenskaper och fördelar:**
* Manuell kontroll för exakt och responsiv drift
* 4-spolig design för mångsidig flödeskontroll
* Monoblockkonstruktion för kompakthet och hållbarhet
* Hög flödeskapacitet på 80 L/min för effektiv systemdrift
* Maximalt tryck på 250 bar för krävande applikationer
* Brett driftviskositetsområde på 15 - 75 mm²/s för kompatibilitet med olika hydraulvätskor
* Driftstemperaturområde från -40°C till +80°C för tillförlitlig prestanda i tuffa miljöer
**Applikationer:**
P80-G34-G12-AT-3OT Manuell 4 Spolig Monoblock Riktningsventil används ofta i hydraulsystem för en mängd olika applikationer, inklusive:
* Materialhanteringsutrustning
* Byggmaskiner
* Jordbruksmaskiner
* Industrifordon



