Snabb leverans
30 dagars expressleverans



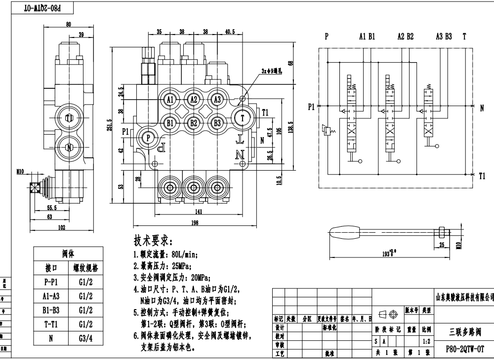
P80-G12-2QTW-OT är en manuell 3-spols monoblock riktningsventil designad för hydraulsystem. Den erbjuder ett nominellt flöde på 80 L/min, ett maximalt tryck på 250 bar och ett driftsviskositetsområde på 15 - 75 mm²/s. Denna ventil används ofta i olika applikationer inom industrier som materialhantering, konstruktion, markberedning och jordbruk.
| P80-serien Monoblockriktningsventil Parameters | |
|---|---|
| Spole | 1 spole, 2 spolar, 3 spolar, 4 spolar, 5 spolar, 6 spolar, 7 spolar |
| Kontrollmetod | Manuell, Pneumatisk, Elektropneumatisk, Elektrohydraulisk, Solenoid, Hydraulisk, Hydraulisk och Manuell, Kabel, Joystick |
| Portstorlek | G1/2, G3/4, M22×1.5, M27×2.0, SAE 10, 1/2 NPT, 3/4 NPT |
| Sektion | 1 sektion, 2 sektioner, 3 sektioner, 4 sektioner, 5 sektioner, 6 sektioner, 7 sektioner |
| Omgivningstemperaturintervall | -40°C till +80°C (-40°F till +176°F) |
| Driftsviskositetsintervall | 15 - 75 mm²/s (15 cSt till 75 cSt) |
| Maximalt tryck | 315 bar (4600 psi) |
| Nominellt flöde | 80 l/min (21,2 US gpm) |
| Strukturtyp | Monoblockventil |
| Inloppsport | G1/2, G3/4, M27×2.0, SAE 10, SAE 12, 1/2 NPT, 3/4 NPT |
**Produktfunktioner och Fördelar:**
* Manuell styrning för exakt drift
* Monoblockkonstruktion för hållbarhet och kompakt storlek
* Hög flödeskapacitet på 80 L/min för effektiv systemprestanda
* Maximalt tryck på 250 bar för krävande applikationer
* Brett driftsviskositetsområde för kompatibilitet med olika hydraulvätskor
* Lämplig för omgivningstemperaturer från -40°C till +80°C
**Applikationer:**
P80-G12-2QTW-OT manuell riktningsventil används flitigt i hydraulsystem för mobila och industriella maskiner, inklusive:
* Materialhanteringsutrustning som gaffeltruckar, teleskoplastare och kranar
* Bygg- och markberedningsmaskiner som grävmaskiner, lastare och väghyvlar
* Jordbruksmaskiner som traktorer, skördare och balpressar
* Industrifordon som sopmaskiner, avfallskompaktorer och kranbilar



