Snabb leverans
30 dagars expressleverans



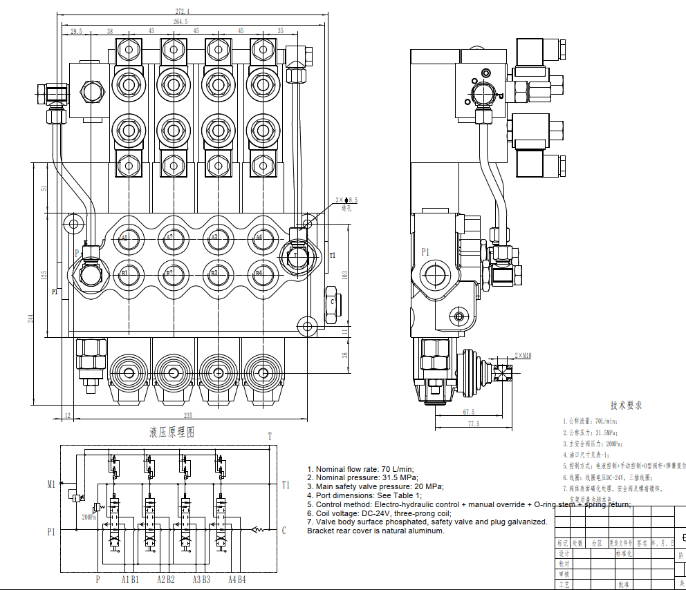
SD11-PG2 är en högpresterande, elektrohydraulisk 4-spols monoblock riktningsventil klassad för 70 L/min och 315 bar. Idealisk för ett brett utbud av applikationer inom materialhantering, konstruktion, jordbruk och industrifordon, erbjuder denna robusta ventil pålitlig styrning och exakt funktion i krävande miljöer.
| SD11-serien Monoblockriktningsventil Parameters | |
|---|---|
| Kontrollmetod | Manuell, Pneumatisk, Elektropneumatisk, Elektrohydraulisk, Solenoid, Hydraulisk, Hydraulisk och Manuell, Kabel, Joystick, Elektrisk |
| Spole | 1 spole, 2 spolar, 3 spolar, 4 spolar, 5 spolar |
| Nominellt flöde | 70 l/min (18,5 US gpm) |
| Maximalt tryck | 315 bar (4600 psi) |
| Inloppsport | G3/4, SAE 12 |
| Utloppsport | G3/4, SAE 12 |
| Portstorlek | G3/4, SAE 12 |
| Sektion | 1 sektion, 2 sektioner, 3 sektioner, 4 sektioner, 5 sektioner, 6 sektioner, 7 sektioner |
| Strukturtyp | Monoblockventil |
| Omgivningstemperaturintervall | -40°C till +60°C (-40°F till +140°F) |
| Driftsviskositetsintervall | 15 - 75 mm²/s (15 cSt till 75 cSt) |
SD11-PG2 Elektrohydraulisk 4-spols Monoblock riktningsventil är en högpresterande hydraulisk styrkomponent designad för krävande applikationer. Dess monoblockkonstruktion säkerställer hög hållfasthet och tillförlitlighet, medan den elektrohydrauliska styrningen ger exakt och responsiv funktion. Med ett nominellt flöde på 70 L/min och ett maximalt tryck på 315 bar är den lämplig för en mängd olika mobil utrustning. Det breda viskositetsområdet (15-75 mm²/s) och omgivningstemperaturområdet (-40°C till +60°C) gör den anpassningsbar till olika driftsförhållanden. 4-spolsdesignen erbjuder mångsidiga styrfunktioner, vilket gör den lämplig för olika hydraulkretsar. Denna ventil är idealisk för OEM-integration i gaffeltruckar, teleskoplastare, kompaktlastare, kompaktlastmaskiner, minigrävare, traktorer, skördetröskor och balpressar. Dess kompakta design, robusta konstruktion och pålitliga prestanda gör den till en kostnadseffektiv lösning för att förbättra effektiviteten och produktiviteten hos dina maskiner. Vi erbjuder tillverkning, OEM, privat märkning, anpassning och grossistalternativ, och söker aktivt distributörer, grossister, agenter och handelspartners globalt.



