Snabb leverans
30 dagars expressleverans



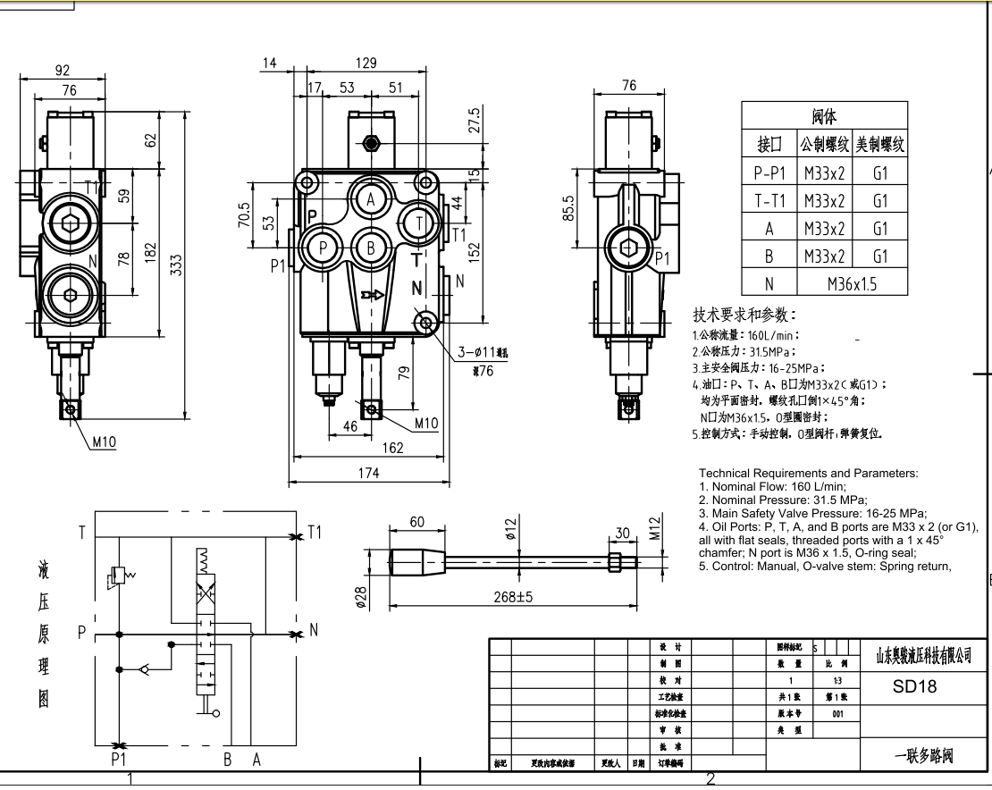
SD18 Manuell 1 Spol Monoblockriktningsventil är en kompakt och pålitlig ventil designad för användning i ett brett utbud av hydrauliska applikationer. Med ett nominellt flöde på 120 L/min och ett maximalt tryck på 315 bar är den lämplig för användning i system med måttliga flödes- och tryckkrav.
| SD18-serien Monoblockriktningsventil Parameters | |
|---|---|
| Kontrollmetod | Manuell, Pneumatisk, Elektropneumatisk, Elektrohydraulisk, Hydraulisk, Hydraulisk och Manuell, Kabel, Joystick |
| Spole | 1 spole, 2 spolar, 3 spolar, 4 spolar |
| Nominellt flöde | 160 l/min (42,2 US gpm) |
| Maximalt tryck | 305 bar (4400 psi) |
| Inloppsport | G1/2, G1, SAE 16 |
| Utloppsport | G1, SAE 16 |
| Portstorlek | G1, SAE 16 |
| Sektion | 1 sektion, 2 sektioner, 3 sektioner, 4 sektioner |
| Strukturtyp | Monoblockventil |
| Omgivningstemperaturintervall | -40°C till +80°C (-40°F till +176°F) |
| Driftsviskositetsintervall | 12 - 400 mm²/s (12 cSt till 400 cSt) |
**Produktegenskaper och fördelar:**
* Kompakt och lätt design
* Manuell styrning för exakt och responsiv drift
* Monoblockkonstruktion för hållbarhet och tillförlitlighet
* Nominellt flöde på 120 L/min för effektiv systemdrift
* Maximalt tryck på 315 bar för användning i krävande applikationer
* Driftviskositetsområde på 12 - 400 mm²/s för kompatibilitet med ett brett utbud av vätskor
* Omgivningstemperaturområde från -40°C till +80°C för användning i tuffa miljöer
* 1 spol för mångsidighet och kontroll
**Applikationer:**
SD18 Manuell 1 Spol Monoblockriktningsventil är lämplig för användning i en mängd olika hydrauliska applikationer, inklusive:
* Materialhanteringsutrustning
* Bygg- och anläggningsmaskiner
* Jordbruksmaskiner
* Industrifordon



