Snabb leverans
30 dagars expressleverans



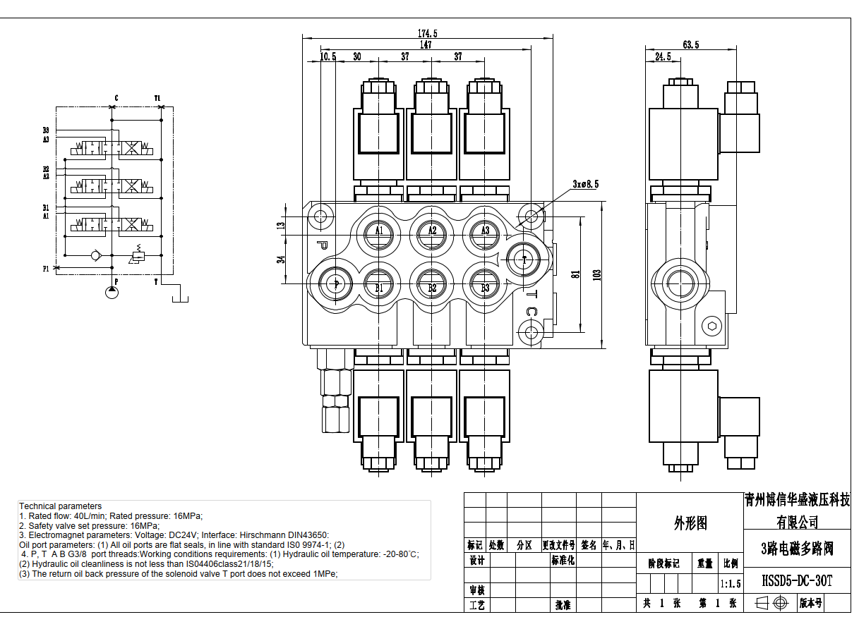
SD5 Magnetventil, 3-spols Monoblock riktningsventil är en högpresterande hydraulventil designad för krävande applikationer. Med ett nominellt flöde på 40 L/min och ett maximalt tryck på 305 bar, erbjuder den utmärkt flödeskontroll och tryckhanteringsförmåga. Ventilens kompakta monoblockdesign säkerställer hållbarhet och tillförlitlighet under tuffa driftsförhållanden.
| SD5-serien Monoblockriktningsventil Parameters | |
|---|---|
| Kontrollmetod | Manuell, Pneumatisk, Elektropneumatisk, Elektrohydraulisk, Solenoid, Hydraulisk, Hydraulisk och Manuell, Kabel, Joystick |
| Spole | 1 spole, 2 spolar, 3 spolar, 4 spolar, 5 spolar, 6 spolar |
| Nominellt flöde | 40 l/min (10,5 US gpm) |
| Maximalt tryck | 305 bar (4400 psi) |
| Inloppsport | G3/8, G1/2, M18×1.5, M20×1.5, SAE 6, SAE 8, G1-1/2 |
| Utloppsport | G3/8, G1/2, M18×1.5, M20×1.5, SAE 6, SAE 8 |
| Portstorlek | G3/8, G1/2, M18×1.5, M20×1.5, SAE 6, SAE 8 |
| Sektion | 1 sektion, 2 sektioner, 3 sektioner, 4 sektioner, 5 sektioner, 6 sektioner, 7 sektioner |
| Strukturtyp | Monoblockventil |
| Omgivningstemperaturintervall | -40°C till +60°C (-40°F till +140°F) |
| Driftsviskositetsintervall | 15 - 75 mm²/s (15 cSt till 75 cSt) |
**Egenskaper och fördelar:**
* Kompakt monoblockdesign för hållbarhet och tillförlitlighet
* 3-spolsdesign för mångsidig flödeskontroll
* Magnetventilskontroll för exakt och responsiv drift
* Nominellt flöde på 40 L/min för effektiv vätskehantering
* Maximalt tryck på 305 bar för krävande applikationer
* Driftsviskositetsområde på 15 - 75 mm²/s för kompatibilitet med olika vätskor
* Omgivningstemperaturområde på -40°C till +60°C för drift under extrema förhållanden
**Applikationer:**
* Mobila hydraulsystem
* Industriella maskiner
* Byggutrustning
* Jordbruksmaskiner
* Materialhanteringsutrustning



