Snabb leverans
30 dagars expressleverans



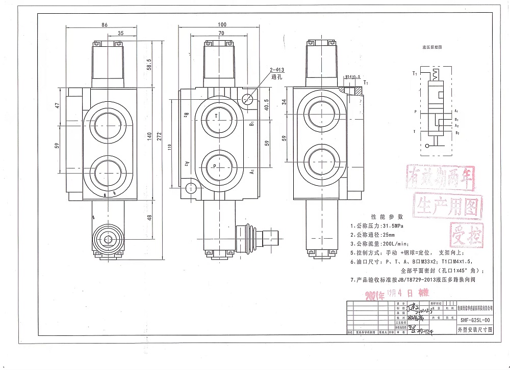
SHFY-G25L-00 Manuell 1-spolig Monoblock Riktningsventil är en kompakt, pålitlig och högpresterande ventil designad för olika applikationer inom materialhantering, konstruktion, jordbruk och industrifordon. Med sin enskilda sektion, manuella styrning och höga flödes- och tryckkapacitet erbjuder denna ventil exakt och effektiv kontroll av hydrauliska system.
| SHFY-G25L-00-serien Monoblockriktningsventil Parameters | |
|---|---|
| Kontrollmetod | Manuell, Hydraulisk |
| Spole | 1 spole |
| Nominellt flöde | 200 L/min (52 US gpm) |
| Maximalt tryck | 315 bar (4600 psi) |
| Inloppsport | M33×2.0 |
| Utloppsport | M33×2.0 |
| Portstorlek | M33×2.0 |
| Sektion | 1 sektion |
| Strukturtyp | Monoblockventil |
| Omgivningstemperaturintervall | -40°C till +80°C (-40°F till +176°F) |
| Driftsviskositetsintervall | 12 - 400 mm²/s (12 cSt till 400 cSt) |
**Produktfunktioner och fördelar:**
* **Hållbar Konstruktion:** Tillverkad av högkvalitativa material för att säkerställa lång livslängd och tillförlitlighet i krävande applikationer.
* **Modulär Design:** Möjliggör enkel anpassning och integration i olika hydraulsystem.
* **Mångsidig Styrning:** Ger exakt kontroll av hydrauliskt flöde och tryck, vilket möjliggör optimal prestanda för ansluten utrustning.
* **Brett Driftområde:** Kan hantera ett brett spektrum av flödeshastigheter, tryck och temperaturer, vilket säkerställer kompatibilitet med olika applikationer.
* **Hög Effektivitet:** Minimerar tryckfall och energiförbrukning, vilket förbättrar systemets totala effektivitet.
**Applikationer:**
SHFY-G25L-00 Manuell 1-spolig Monoblock Riktningsventil används i en mängd olika hydrauliska system, inklusive:
* Materialhanteringsutrustning (gaffeltruckar, kranar, teleskoplastare)
* Anläggningsmaskiner (grävmaskiner, lastare, väghyvlar)
* Jordbruksutrustning (traktorer, skördetröskor, balpressar)
* Industrifordon (sopmaskiner, avfallspressar, kroklastare)
* Och många fler...



