Snabb leverans
30 dagars expressleverans



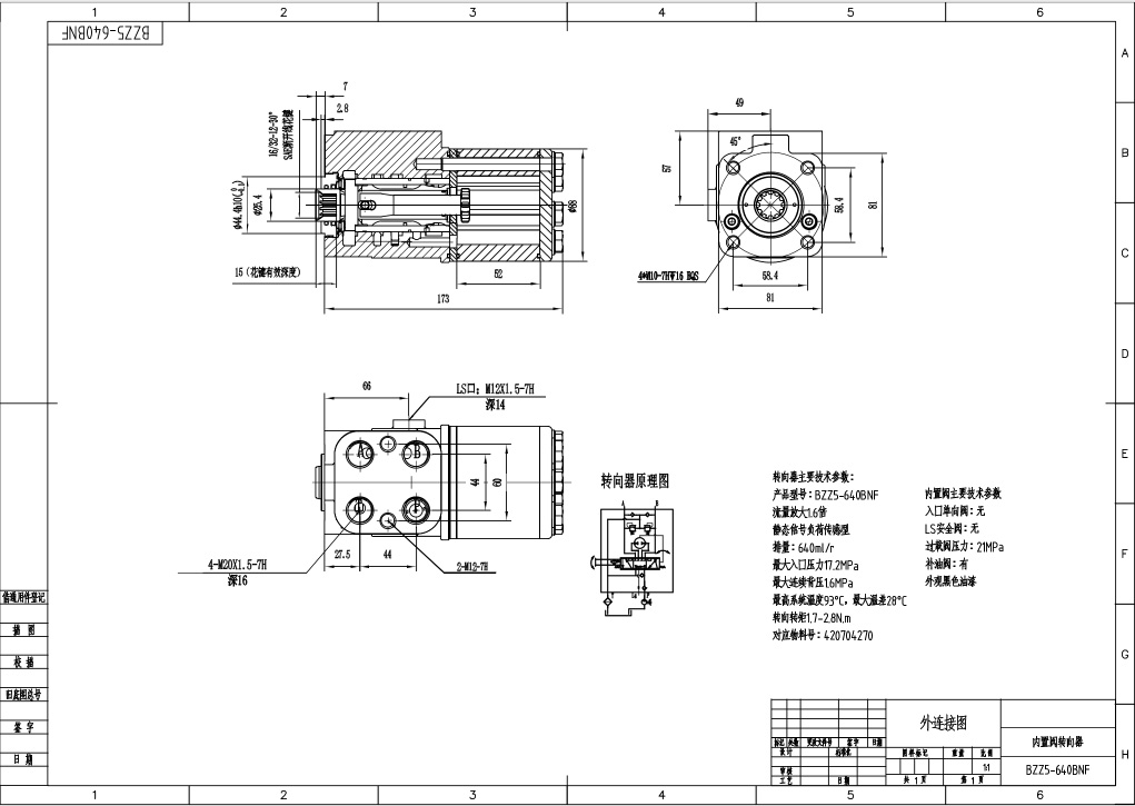
TLF-E640 Styrenheten är en högpresterande, anpassningsbar hydraulisk styrenhet med en deplacement på 640 ml/r, designad för olika materialhanterings- och anläggningsmaskiner. Byggd med slitstarkt gjutjärn och med ett maximalt ingångstryck på 16 MPa, ger den tillförlitlig och effektiv styrkontroll.
| TLF-serien Styrenhet Parameters | |
|---|---|
| Deplacement | 800 ml/varv, 1000 ml/varv, 640 ml/varv |
| Ventilblock | Anpassningsbar |
| Material | Gjutjärn |
| Nominellt flöde | 48 L/min, 60 L/min, 75 L/min |
| Maximalt kontinuerligt mottryck | 1,6 Mpa |
| Maximalt inloppstryck | 16 Mpa |
TLF-E640 Styrenheten är en robust och pålitlig hydraulisk komponent idealisk för ett brett spektrum av applikationer inom materialhantering och konstruktion. Viktiga funktioner inkluderar:
* **Hög prestanda:** Ett deplacement på 640 ml/r och ett nominellt flöde på 48 L/min säkerställer responsiv och exakt styrkontroll, även under tunga laster.
* **Hållbar konstruktion:** Användningen av gjutjärn säkerställer långvarig prestanda och motståndskraft mot slitage i krävande driftsmiljöer.
* **Anpassningsbart ventilblock:** Anpassa ventilblockets konfiguration för att möta dina specifika applikationskrav, vilket erbjuder flexibilitet och optimal integration med ditt befintliga system.
* **Högtryckskapacitet:** Ett maximalt ingångstryck på 16 MPa möjliggör drift i krävande applikationer, vilket visar enhetens styrka och motståndskraft.
* **Mångsidiga applikationer:** Lämplig för teleskoplastare, gaffeltruckar, kompaktlastare, kompakta hjullastare, hjullastare och grävlastare, vilket ger överlägsen styrkontroll över olika utrustningstyper.
* **Global räckvidd:** Vi erbjuder tillverkning, OEM, ODM, private labeling, anpassning och grossistalternativ för att möta behoven hos kunder över hela världen. Vi söker aktivt distributörer, grossister, agenter och handelspartners.
TLF-E640 är den perfekta lösningen för tillverkare och integratörer som söker en högkvalitativ, pålitlig och anpassningsbar hydraulisk styrenhet för sin utrustning. Kontakta oss idag för att diskutera dina specifika behov och utforska samarbetsmöjligheter.



