Snabb leverans
30 dagars expressleverans



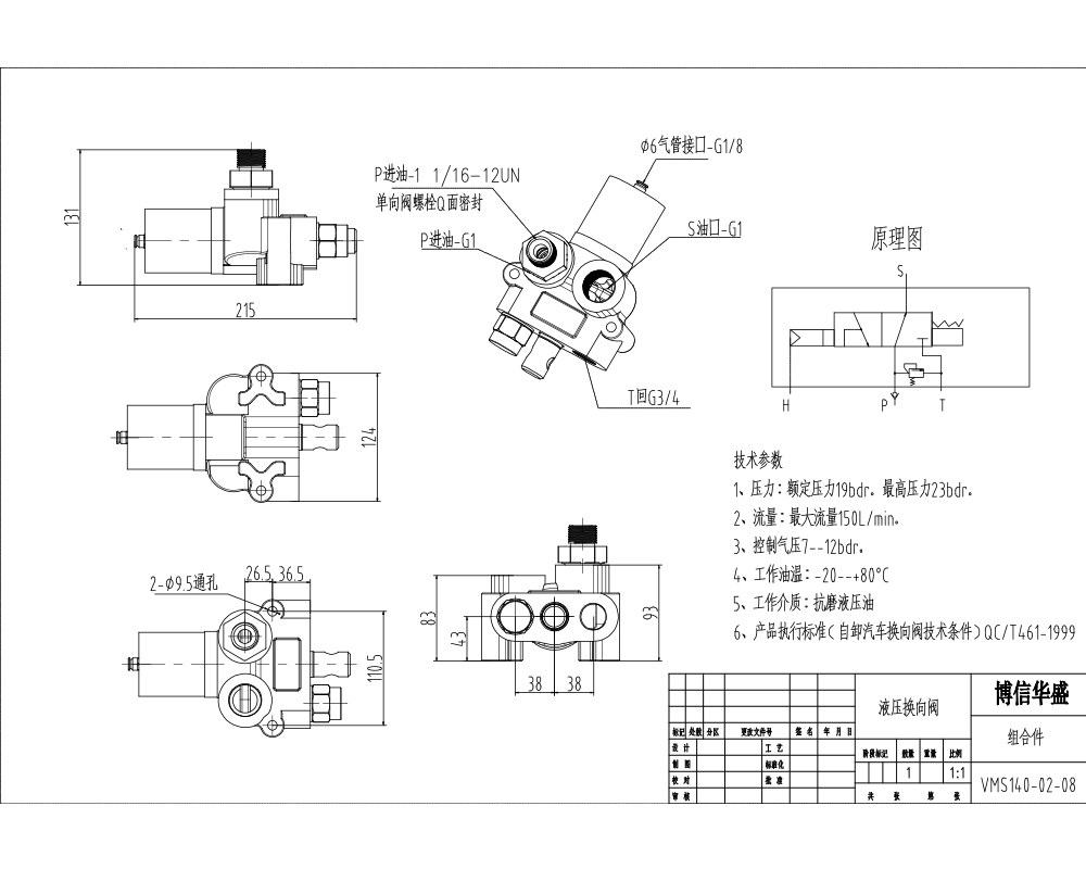
VMS140 Pneumatisk 1-spols Monoblock Riktningsventil är en robust och kompakt hydraulisk styrlösning designad för globala applikationer. Med exakt pneumatisk styrning levererar denna monoblockventil ett nominellt flöde på 150 L/min och tål ett maximalt tryck på 230 bar, vilket gör den idealisk för ett brett utbud av mobila och industriella hydraulsystem som kräver enkel funktionskontroll.
| VMS-serien Monoblockriktningsventil Parameters | |
|---|---|
| Spole | 1 spole |
| Kontrollmetod | Manuell |
| Portstorlek | G1 |
| Sektion | 1 sektion |
| Omgivningstemperaturintervall | -20 °C till +80 °C (-4 °F till +176 °F) |
| Driftsviskositetsintervall | 15 - 75 mm²/s (15 cSt till 75 cSt) |
| Utloppsport | G3/4 |
| Maximalt tryck | 230 bar (3300 psi) |
| Nominellt flöde | Nominellt flöde |
| Strukturtyp | Monoblockventil |
| Inloppsport | SAE 12 |
VMS140 Monoblock Riktningsventil utmärker sig för sin tillförlitlighet och prestanda i krävande hydrauliska applikationer. Dess monoblockkonstruktion säkerställer ett kompakt fotavtryck, minskade potentiella läckagepunkter och förenklad installation, vilket bidrar till den hydrauliska systemets totala effektivitet och hållbarhet.
**Nyckelfunktioner och fördelar:**
* **Pneumatisk styrning:** Erbjuder exakt och responsiv fjärrstyrning, vilket förbättrar förarens komfort och säkerhet i olika maskiner.
* **Robust Monoblockdesign:** Ger strukturell integritet och en kompakt formfaktor, idealisk för utrymmesbegränsade installationer, och minimerar anslutningspunkter.
* **Hög prestanda:** Klarar ett nominellt flöde på 150 L/min (39.6 US gpm) och ett maximalt tryck på 230 bar (3300 psi), vilket gör den lämplig för tunga uppgifter.
* **Enkelspols konfiguration:** Förenklar styrningen av en specifik hydraulisk funktion, såsom lyft, tiltning eller förlängning, vilket ger enkel användning.
* **Brett driftsområde:** Fungerar tillförlitligt över ett omgivningstemperaturområde på -20°C till +80°C (-4°F till +176°F) och ett driftsviskositetsområde på 15 till 75 cSt, vilket säkerställer konsekvent prestanda under varierande miljö- och vätskeförhållanden.
* **Standardportar:** Utrustad med en SAE 12 inloppsport och en G3/4 utloppsport, tillsammans med en G1 allmän portstorlek, vilket underlättar enkel integration med befintliga hydrauliska kretsar.
**Användningsscenarier:**
Denna mångsidiga ventil är konstruerad för ett brett spektrum av mobila och industriella maskiner. Den är ett utmärkt val för system som kräver robust och exakt styrning av hydrauliska aktuatorer. Typiska applikationer inkluderar:
* **Materialhanteringsutrustning:** Används i gaffeltruckar, teleskoplastare och staplare för att styra lyft-, tilt- eller hjälfunktioner.
* **Bygg- och schaktmaskiner:** Idealisk för minigrävare, kompaktlastare, kompakta hjullastare och grävlastare för hantering av redskapsrörelser eller extra hydraulledningar.
* **Jordbruksmaskiner:** Lämplig för traktorer, frontlastare och skördemaskiner, vilket ger hydraulisk kraft och styrning för olika redskap och funktioner.
* **Industrifordon:** Tillämplig i en mängd olika anpassade och specialiserade industrifordon som behöver tillförlitlig och kompakt hydraulisk riktningskontroll för enstaka åtgärder.
Som en ledande tillverkare är vi engagerade i att tillhandahålla högkvalitativa hydrauliska lösningar. Vi erbjuder flexibla tjänster inklusive tillverkning, OEM/privat märkning och anpassade lösningar för att möta specifika kundbehov. Vi söker aktivt globala distributörer, grossister, agenter och handlare för att samarbeta med oss och utöka räckvidden för våra avancerade hydrauliska produkter som VMS140-ventilen.



