Snabb leverans
30 dagars expressleverans



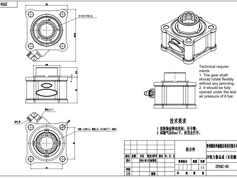
ZF50C kraftuttaget är en robust, pneumatiskt styrd kraftuttagsenhet konstruerad för krävande globala industriella och mobila applikationer. Med ett kraftfullt utgående vridmoment på 479,7 Nm med standardmontering och trycksmörjning, levererar det pålitlig hjälpkraft för ett brett utbud av tunga maskiner inom bygg, jordbruk, materialhantering och andra industrisektorer.
| ZF50-serien Kraftuttag Parameters | |
|---|---|
| Styrlufttryck | 6 bar |
| Monteringstyp | 4 bultar |
| Utgående rotationsriktning | Motsatt motorns rotationsriktning |
| Manövreringsform | Pneumatisk (enkelverkande cylinder) fjäderåterställning |
| Hastighetsförhållande | 1:1 |
| Nominellt utgående vridmoment | 479.7 Nm |
| Smörjningsalternativ | Trycksmörjning |
| Monteringsalternativ | Standardmontering |
Som en ledande global tillverkare presenterar vi stolt ZF50C kraftuttaget, en högpresterande lösning designad för tillförlitlighet och effektivitet över olika industriella och mobila applikationer. Vi erbjuder omfattande tillverknings-, OEM-, ODM-, anpassade och grossisttjänster och söker aktivt globala distributörer, grossister, agenter och handlare.
**Produktegenskaper och fördelar:**
* **Högt nominellt utgående vridmoment:** Med robusta 479,7 Nm är ZF50C konstruerad för att hantera krävande effektbehov för tunga applikationer, vilket säkerställer optimal prestanda.
* **Pneumatisk styrning (enkelverkande cylinder med fjäderåterställning):** Erbjuder precis och pålitlig inkoppling/urkoppling. Den enkelverkande cylindern med fjäderåterställningsmekanism ger enkel, effektiv och säker drift. Den fungerar effektivt med ett kontrolltryck på 6 bar.
* **Trycksmörjningsalternativ:** Denna kritiska funktion säkerställer kontinuerlig och effektiv smörjning av interna komponenter, vilket avsevärt förlänger livslängden på kraftuttagsenheten, särskilt under kontinuerliga och tunga belastningsförhållanden.
* **Standardmonteringsalternativ:** Underlättar enkel integration med ett brett utbud av motorer och transmissioner, vilket minskar installationstid och kostnader.
* **1:1 hastighetsförhållande:** Levererar direkt och effektiv kraftöverföring från motorn till hjälputrustning utan hastighetsreduktion eller förstärkning.
* **Utgående riktning motsatt motorn:** Designad för specifik systemkompatibilitet, vilket säkerställer korrekt rotationsriktning för drivna komponenter.
* **Slitstark konstruktion:** Byggd med högkvalitativa material för att tåla tuffa driftsmiljöer och ge långvarig tillförlitlighet.
**Applikationsscenarier:**
Vårt ZF50C kraftuttag är en oumbärlig komponent för en mängd industrier och fordonstyper som kräver hydraulisk hjälpkraft eller mekanisk drift:
* **Bygg och markarbeten:** Idealisk för att driva hydraulikpumpar på TERÄNGKRANAR, HJULLASTARE, GRÄVMASKINER, DUMPRAR, MOTORGRÄDERARE och BETONGPUMPAR MED BOM.
* **Materialhantering:** Väsentlig för att tillhandahålla hjälpkraft till TELESKOPLASTARE och GAFELTRUCKAR för olika tillbehör och funktioner.
* **Jordbruk:** Avgörande för TRAKTORER OCH FRONTLASTARE, SKÖRDEUTRUSTNING, BALPRESSAR och SPRUTOR, för att driva redskap och hydraulsystem.
* **Industrifordon:** Lämplig för olika specialfordon som behöver pålitlig kraft för vinschar, kompressorer, avfallskompaktorer och annan hjälputrustning. ZF50C säkerställer att dessa maskiner fungerar med maximal effektivitet och minimal stilleståndstid.



